HMC-APH596/HMC-APH596-SX多級GaAs HEMT MMIC高的英語工作效率擴大器 ADI現貨平臺
上傳時候:2018-06-29 11:18:34 網頁瀏覽:1834
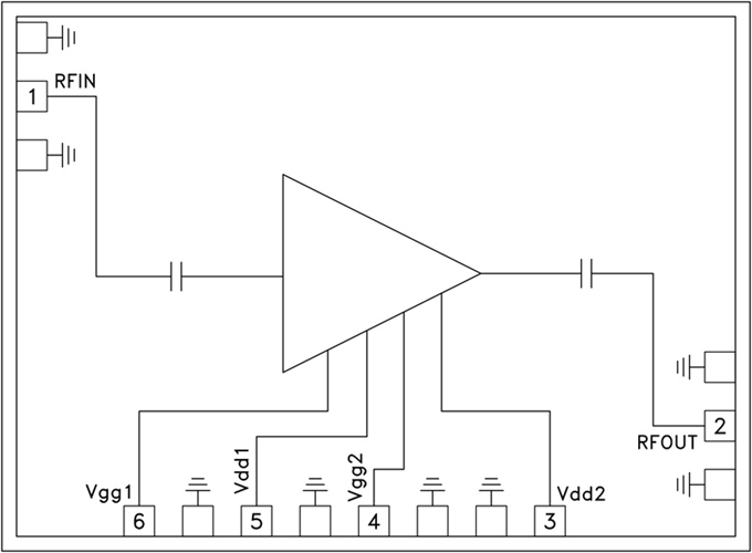
HMC-APH596是款二級GaAs HEMT MMIC適中工作輸出變小器,進行規律范圍內為16至33 GHz。 HMC-APH596出示17 dB收獲,進行+5V交流電壓交流電壓時擁有+24 dBm工作輸出工作輸出(1 dB壓縮成)。 大多數焊盤和心片背后都過程Ti/Au重金屬化,變小器已仍然鈍化以保證 正規進行。
HMCAPH596 GaAs HEMT MMIC中低工作電壓變成器兼容普通的電子器件貼裝手段,或是熱減少和熱超聲波線焊接工藝藝,極其時候MCM和混雜微集成運放應用軟件。 這里表示的其它參數均是電子器件在50 Ω環保下選擇RF紅外探頭觸碰測量。
|
品牌
|
型號
|
描述
|
貨期
|
庫存
|
|
ADI
|
HMC-APH596
HMC-APH596-SX
|
MMIC中等功率放大器,16至33 GHz
|
現貨
|
323
|
軟件應用
HMC-APH596優勢和特點
-
輸出IP3: +33 dBm
-
P1dB: +24 dBm
-
增益: 17 dB
-
電源電壓: +5V
-
50 Ω匹配輸入/輸出
-
裸片尺寸:
2.55 x 1.87 x 0.1 mm
HMC-APH596結構圖
