HMC498LC4/HMC498LC4TR高動態信息標準輸出擴大器 ADI現貨交易
發表時間間隔:2018-06-29 13:47:59 查詢:2308
HMC498LC4都是款高靜態空間GaAs PHEMT MMIC中等偏上最大工作功率增加器,選擇無引腳“無鉛”SMT打包封裝。 該增加器存在17至24 GHz的作業空間,出具22 dB收獲、+26 dBm是處于飽和狀態最大工作功率和23% PAE(+5V電源模塊直流電壓)。 HMC498LC4的噪音數值為4 dB,輸出IP3為+36 dBm(典例值),適用作低的噪音前端開發或者安裝驅動增加器。 隔直RF I/O匹配好至50 Ω,在使用的簡便。 HMC498LC4沒有線焊,還可以在使用的表貼制作科技。
|
品牌
|
型號
|
描述
|
貨期
|
庫存
|
|
ADI
|
HMC498LC4
HMC498LC4TR
|
中等功率放大器,采用SMT封裝,17 - 24 GHz
|
現貨
|
269
|
HMC498LC4采用
-
點對點無線電
-
點對多點無線電和VSAT
-
測試設備和傳感器
-
軍用最終用途
HMC498LC4優勢和特點
-
輸出IP3: +36 dBm
-
飽和功率: +26 dBm (23% PAE)
-
增益: 22 dB
-
+5V(250 mA)電源
-
50 Ω匹配輸入/輸出
-
符合RoHS標準的4x4 mm SMT封裝
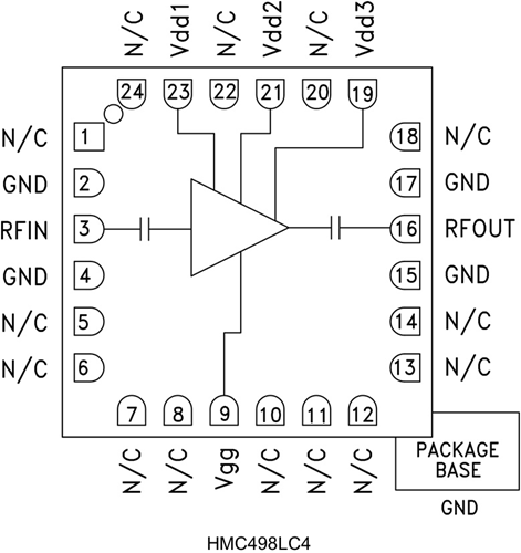
HMC498LC4結構圖
