業內新聞咨詢
更新周期:2018-07-02 14:53:27 訪問:1986
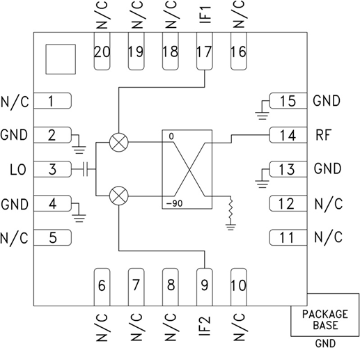
HMC1056LP4BE是一款緊湊型I/Q MMIC混頻器,采用“無鉛”SMT封裝,可用作鏡像抑制混頻器或單邊帶上變頻器。 該混頻器采用兩個標準Hittite雙平衡混頻器單元和一個90度混合器件,均采用GaAs Schottky二極管工藝制造。 低頻正交混合器件用于產生100MHz LSB IF輸出。 該產品為混合型鏡像抑制混頻器和單邊帶上變頻器組件的小型替代器件。立維創展 ADI現貨交易 HMC1056LP4BE無需線焊,可以使用表貼制造技術。
| 品牌 | 型號 | 描述 | 貨期 | 庫存 |
| ADI |
HMC1056LP4BE HMC1056LP4BETR |
GaAs MMIC I/Q混頻器,8 - 12 GHz | 現貨 | 398 |
HMC1056LP4BE應用
HMC1056LP4BE有適和特點
HMC1056LP4BE結構圖
