HMC1113LP5E/HMC1113LP5ETR表貼芯片封裝緊促型下交流伺服驅動器 ADI現貨交易
公布的時間:2018-07-03 10:16:58 瀏覽訪問:2468
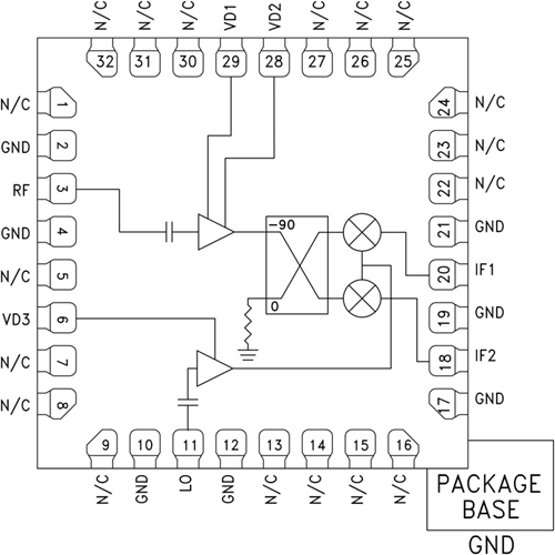
HMC1113LP5E也是款主體工程型GaAs MMIC I/Q下直流變頻空調器,采取無鉛5 x 5 mm低扯力壓鑄塑料制品表貼封裝形式。 該電子元件展示 12 dB的小手機信號換為增益值、1.8 dB的躁音比率和25 dBc的系統映射治理和改善功能。 HMC1113LP5E采取LNA,后接由LO響應器變小器驅動軟件的系統映射治理和改善混頻器。 該系統映射治理和改善混頻器促使LNA后會不必便用濾波器,并可去除系統映射規律下的熱躁音。 它具備著I/Q混頻器模擬輸出,所須外鏈90°混型電子元件用到抉擇所須邊帶。 HMC1113LP5E為混型系統映射治理和改善混頻器下直流變頻空調器配件的大型充當電子元件,它不必線焊,不錯便用表貼加工制造技術。
|
品牌
|
型號
|
描述
|
貨期
|
庫存
|
|
ADI
|
HMC1113LP5E
HMC1113LP5ETR
|
GaAs MMIC I/Q下變頻器,10 - 16 GHz
|
現貨
|
257
|
HMC1113LP5Eapp
-
點對點和點對多點無線電
-
軍用雷達、EW和ELINT
-
衛星通信
HMC1113LP5E優勢和特點
-
轉化增加收益:12 dB
-
鏡象可抑制:25 dBc
-
LO至RF隔離防曬:45 dB
-
噪聲污染常數:1.8 dB
-
IP3:1 dBm
-
32引腳5 x 5 mm SMT封口
HMC1113LP5E結構圖
