HMC572LC5/HMC572LC5TR雷達探測系統MMIC I/Q下交流伺服 ADI現貨黃金
披露時長:2018-07-03 13:48:22 訪問 :1993
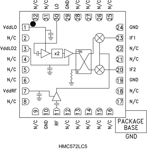
HMC572LC5就是款寬敞型GaAs MMIC I/Q下直流變頻調速器,所利用非常符合RoHS規范標準的無引腳SMT封裝類型。 該電子器件在某個頻段范疇內帶來8 dB的小移動信號裝換增益值、3.5 dB的噪音分貝指數公式和18 dB的系統鏡像軟件促使功能。 HMC572LC5所利用LNA,后接由x2有源倍頻器驅動器的系統鏡像軟件促使混頻器。
該鏡像抑制混頻器使得LNA之后無需使用濾波器,并可消除鏡像頻率下的熱噪聲。 它具有I和Q混頻器輸出,所需外部90°混合型器件用于選擇所需邊帶。立維創展 ADI期貨 HMC572LC5為混合型鏡像抑制混頻器下變頻器組件的小型替代器件,它無需線焊,可以使用表貼制造技術。
|
品牌
|
型號
|
描述
|
貨期
|
庫存
|
|
ADI
|
HMC572LC5
HMC572LC5TR
|
I/Q接收機,采用SMT封裝,24 - 28 GHz
|
現貨
|
156
|
軟件應用
-
點對點
-
點對多點無線電
-
軍用雷達、EW和ELINT
HMC572LC5優勢和特點
-
轉換增益: 8 dB
-
鏡像抑制: 18 dB
-
2 LO至RF隔離: 35 dB
-
噪聲系數: 3.5 dB
-
輸入IP3: +5 dBm
-
符合RoHS標準5x5 mm SMT封裝
HMC572LC5結構圖
