HMC6146BLC5A/HMC6146BLC5ATR遠程電可變氣門正時收獲上交流三菱變頻器 ADI現貨平臺
公布的時長:2018-07-04 10:06:39 瀏覽訪問:6780
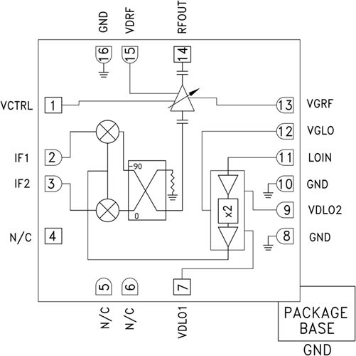
HMC6146BLC5A不是款家用suv轎車型GaAs MMIC I/Q可變氣門正時氣門正時增加收益上變頻柜器,主要用到無引腳RoHS兼容型SMT二極管封裝。 該功率器件供應12 dB小數據換為增加收益,都具有25 dBc邊帶阻止和17 db增加收益操控。 HMC 6146BLC5A主要用到RF可變氣門正時氣門正時增加收益變大器,在其時候為某個I/Q混頻器,LO由X2倍頻器帶動。 供應IF1和IF2混頻器放入,還可進行第三方90°攪拌采用的需求邊帶。
I/Q混頻器拓補拉低了面向干擾信號邊帶實現濾波的請求。 HMC6146BLC5A有的是款更小而、能替換混后單向喊上直流變頻的的產品,支持系統表貼生產加工工藝,不同線焊。
|
品牌
|
型號
|
描述
|
貨期
|
庫存
|
|
ADI
|
HMC6146BLC5A
HMC6146BLC5ATR
|
GaAs MMIC I/Q上變頻器,40 - 44 GHz
|
現貨
|
198
|
HMC6146BLC5A應用
-
點對點與
點對多點無線電
-
軍用雷達、EW與ELINT
-
衛星通信
HMC6146BLC5A優勢和特點
-
轉換增益:12 dB
-
邊帶抑制:25 dBc
-
2LO至RF隔離:15 dB
-
高輸出IP3:+27 dBm
-
16引腳5x5 mm陶瓷封裝:25 mm2
HMC6146BLC5A結構圖
