欧洲一区二区-欧美激情一区二区-国产激情在线-欧美在线一区二区

HMC785LP4E/HMC785LP4ETR無源MMIC混頻器 ADI期貨 蜂窩模塊化LO調大器

上傳時:2018-07-05 10:33:34     觀看:6849

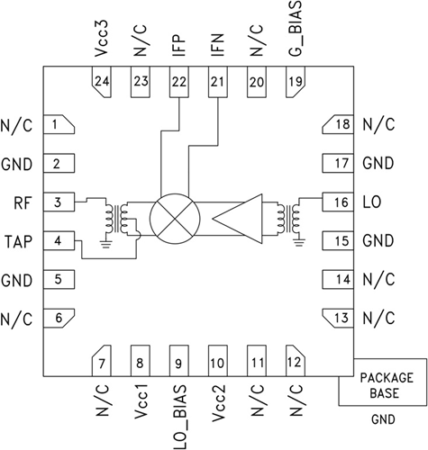
HMC785LP4E是一款集成LO放大器的高動態范圍無源MMIC混頻器,采用4x4 SMT QFN封裝,工作頻率范圍為1.7至2.2 GHz。 LO驅動為0 dBm時,3G和4G GSM/CDMA應用具有+38 dBm的出色輸入IP3下變頻性能。 采用1dB (+26 dBm)輸入壓縮時,RF端口支持各種輸入信號電平。 轉換損耗為8 dB(典型值)。 高達300 MHz的IF頻率響應可滿足GSM/CDMA發射或接收頻率計劃要求。 立維創展HMC785LP4E針對1.7 - 2.2 GHz RF頻段低端LO頻率計劃進行了優化,并與HMC685LP4E引腳兼容。

品牌 型號 描述 貨期 庫存
ADI HMC785LP4E
HMC785LP4ETR
集成LO放大器的BiCMOS混頻器,1.7 - 2.2 GHz 現貨 112


應運


  • 蜂窩/3G和LTE/WiMAX/4G
  • 基站和中繼器
  • GSM、CDMA和OFDM
  • 發射器和接收機




HMC785LP4E優勢和特點

  • 高輸入IP3: +38 dBm
  • 8 dB轉換損耗(0 dBm LO)
  • 針對低端LO輸入優化
  • 可調電源電流
  • 24引腳4x4mm QFN封裝: 16mm2


HMC785LP4E結構圖



個性化推薦方式
  • 關于THUNDERLINE-Z產品申明
    關于THUNDERLINE-Z產品申明 2020-10-14 15:54:05 北京市立維創展科技開發不多裝修公司,是美利堅THUNDERLINE-Z & Fusite品牌形象在我國的的許可方式商,其金屬夾絲玻璃封閉接線端子排,已廣泛的軟件于航天部、軍事戰爭、網絡通信等高正規性科技領域。
  • ?ECLB75W-24S12隔離型 DC-DC 轉換器模塊現貨庫存
    ?ECLB75W-24S12隔離型 DC-DC 轉換器模塊現貨庫存 2025-08-18 16:37:02 ECLB75W-24S12 是 CINCON 制定的 ECLB75W 系列產品隔離型 DC-DC 互轉器控制器,額定的電率 75W,輸入電壓降 9 - 36VDC(4:1 寬位置),模擬輸入輸出 12V/6.25A(單路),存在模擬輸入輸出控制精度±1%、典型性速率 91%等核心規模,還有不斷完善的維護操作系統。