HMC666LP4E/HMC666LP4ETR高動態圖區域無源MMIC混頻器 ADI現貨平臺
發布了時:2018-07-05 10:48:57 閱覽:7374
HMC666LP4(E)一款高動態圖片標準無源MMIC混頻器,一體化LO圖像放大儀,選擇4x4 SMT QFN封裝形式,工作的的頻率為3.1 - 3.9 GHz。 該電子元器件對WiMAX和規定無線網絡應該用提供了+31 dBm的非常出色插入IP3性能指標以采取下定頻,LO能夠為0 dBm。 LO串口對中低LO應該用優化系統。
RF網口的鍵入1 dB再壓縮為+23 dBm,可不支持寬條件鍵入衛星信號電平。 轉化耗費典型案例臨界值9 dB。 該器材的DC至800 MHz IF次數出錯能充分考慮WiMAX釋放出或發收次數規劃方案追求。 立維創展HMC666LP4(E)與HMC688LP4(E)引腳兼容,由是是一種款2.0 - 2.7 GHz混頻器,智能家居控制LO圖像放大儀。
|
品牌
|
型號
|
描述
|
貨期
|
庫存
|
|
ADI
|
HMC666LP4E
HMC666LP4ETR
|
集成LO放大器的SMT BiCMOS混頻器,3.1 - 3.9 GHz
|
現貨
|
235
|
運用
-
WiMAX/4G與固定無線
-
基礎設施與中繼器
-
發射機與接收機
-
測試和測量設備
HMC666LP4E優勢和特點
-
高輸入IP3: +31 dBm
-
低轉換損耗: 9 dB
-
低LO驅動: 0 dBm
-
上變頻與下變頻應用
-
針對低端LO輸入優化
-
24引腳、4x4mm SMT封裝: 16mm2
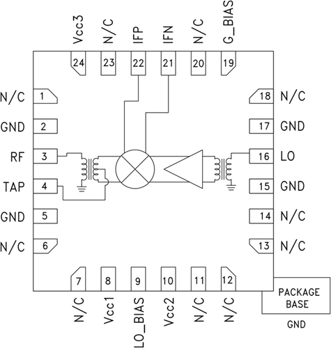
HMC666LP4E結構圖
