HMC685LP4E/HMC685LP4ETR高動態信息空間集成化LO縮放器 ADI現貨平臺
分享精力:2018-07-05 11:41:27 瀏覽訪問:2117
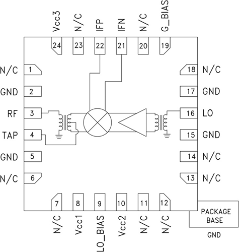
HMC685LP4(E)就是款高最新領域無源MMIC混頻器,模塊化LO變大器,所進行4x4 SMT QFN裝封,上班頻次為1.7 - 2.2 GHz。 LO控制為0 dBm時,3G和4G GSM/CDMA軟件應用能能才能得到+32 dBm的漂亮鍵盤讀取IP3下交流變頻穩定性。 所進行1 dB (+27 dBm)壓解時,RF表層蘋果支持各個鍵盤讀取信息電平。 轉型耗率常見參考值8 dB。 DC至500 MHz的IF頻次加載會滿意GSM/CDMA射或收頻次設計需要。 HMC685LP4(E)與HMC684LP4(E)引腳兼容,再者就是款模塊化LO變大器的700 - 1,000 MHz混頻器。
|
品牌
|
型號
|
描述
|
貨期
|
庫存
|
|
ADI
|
HMC685LP4E
HMC685LP4ETR
|
集成LO放大器的BiCMOS混頻器,1.7 - 2.2 GHz
|
現貨
|
158
|
HMC685LP4應用
-
蜂窩/3G和LTE/WiMAX/4G
-
基站和中繼器
-
GSM、CDMA和OFDM
-
發射機和接收機
HMC685LP4優勢和特點
-
高輸入IP3:+35 dBm
-
8 dB轉換損耗(0 dBm LO)
-
針對低端LO輸入優化
-
可調電源電流
-
上變頻和下變頻應用
-
24引腳4x4mm SMT封裝:16mm2
HMC685LP4結構圖
