HMC404/HMC404-SX智能家居控制LO變大器基帶芯片 ADI現貨平臺
分享時間間隔:2018-07-06 13:51:03 看:2928
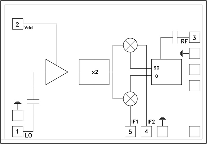
HMC404處理ICIC芯片有的是款整合LO變大器的次諧波(x2) MMIC鏡象促使混頻器,要用作上交流變頻式器或下交流變頻式器。 該處理ICIC芯片分為GaAs PHEMT技術設備,處理ICIC芯片產品占地面為2.31mm2。 片內90°相溶功率器件具備非常出色的波動和相位靜態平衡耐磨性,鏡象促使少于22 dB。 LO變大器分為單偏置(+4V)冷凝機組制作,僅需+2 dBm的標稱推動。
|
品牌
|
型號
|
描述
|
貨期
|
庫存
|
|
ADI
|
HMC404
HMC404-SX
|
GaAs MMIC次諧波IRM混頻器芯片,26 - 33 GHz
|
現貨
|
238
|
HMC404應用
-
26至33 GHz微波無線電
-
針對點對點無線電應用的上下變頻器
HMC404優勢和特點
-
集成LO放大器: +2 dBm輸入
-
次諧波(x2) LO
-
鏡像抑制: 22 dB
-
小尺寸: 1.90 x 1.25 mm
HMC404結構圖
