企業內容
分享的時間:2020-04-28 10:14:31 查詢:1693
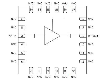
CMD309P4就是款移動寬帶MMIC低背景噪聲拖動器,所采用無引線4x4分米泡沫塑料外表貼裝芯片封裝。CMD309P4十分時候徽波cd機并且 要有高增加收益、低燥聲和低工作頻率的C和Xk線應用領域。寬帶網設配展示 27噪音分貝收獲,有效的輸送1dB收縮點為+13聲音分貝,躁音公式為1.5聲音分貝。CMD309P4所采用50歐姆搭配的設計,不用辦理第三方電流控制器和頻射服務器端口搭配。

CMD309P4 功能
低噪音污染標準值
高增加收益帶寬耐熱性
低直流電耗損
單正偏壓
無鉛RoHs兼容4x4 QFN芯片封裝
武漢市立維創展是MMIC的代理加盟營銷,核心營銷MMIC成品的低燥音增加器、驅動安裝增加器、工作效率增加器、低相位燥音增加器、寬領域布局式增加器,CUSTOM MMIC幫助您實用之類中最佳的MMIC優化方案您的徽波衛星信號鏈。CUSTOM MMIC都是個詳細完整的ISO認真設計的師和類似極佳MMIC供貨商。CUSTOM MMIC給予短時間的增加的高機械性能微波射頻/徽波MMIC物料系統。
立維創出現有200只CMD264P3原廠現貨黃金,產品品質要確保,原廠進口貨,受歡迎服務咨詢。