HMC265LM3/HMC265LM3TR點對點通信無線網絡電下軟啟動器器 ADI現貨黃金
公布的事件:2018-07-06 15:50:11 閱讀:1910
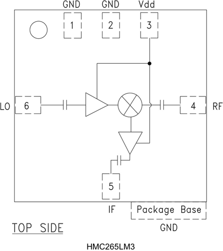
HMC265LM3不是款一體化LO和IF增加器的20 - 31 GHz表貼次諧波(x2) MMIC混頻器下變頻器,經由SMT無引腳存儲芯片承載芯片裝封。 在28至47 dB時,2LO至RF和IF隔絕特性不錯,暫時無法超額濾波。 LO增加器經由單偏置(+3V至+4V)冷凝機組設置,僅需-4 dBm的驅使。 大多數數據表格均經由組裝在50 ?測試英文車床夾具中的非密封隔絕墊型、樹脂材料樹脂材料密封隔絕墊LM3芯片裝封電子元器件了解。 立維創展HMC265LM3經由HMC265LM3即暫時無法線焊,若想為企業客戶供給同步的接口標準。
|
品牌
|
型號
|
描述
|
貨期
|
庫存
|
|
ADI
|
HMC265LM3
HMC265LM3TR
|
次諧波混頻器,采用SMT封裝,20 - 31 GHz
|
現貨
|
123
|
HMC265LM3應用
-
20和31 GHz微波無線電
-
點對點無線電下變頻器
HMC265LM3優勢和特點
-
集成LO放大器: -4 dBm輸入
-
次諧波(x2) LO
-
高2LO/RF隔離: >28 dB
-
LM3 SMT封裝
HMC265LM3結構圖
