HMC611LP4/HMC611LP4E效率監督常用對數檢波器 ADIPOS機代理現貨交易
發表時光:2018-07-09 13:57:07 搜索:7290
HMC611LP4(E)常用常用對數檢波器/調控器將錄入鍴的RF的信號轉為為輸出小于度端成比例的DC電流電壓。HMC611LP4(E)運用陸續壓縮的拓撲構成構成,出示寬錄入頻繁 面積內的非常高動態性面積和轉為小于度。根據錄入工作功率增高,陸續調大器迅速進入飽和狀態,于是出現小于的常用常用對數方程是值。
若您有絲毫凝問,請去聯系大家立維創展,大家會盡極大努力奮斗你攤上事了質量。
一系一平米律檢波器內容傳輸求和、轉化成端電流值域并減慢驅動器LOGOUT內容傳輸。在檢測工具狀態切換下,LOGOUT引腳漏電到VSET鍵盤輸入并給出-25mV/dB的標稱多數斜率和18 dBm的截距(22 dBm,? ≥ 5.8 GHz)。HMC611LP4(E)也可在把控好器狀態切換下運用,向VSET引腳施用異常端電流值以轉換AGC或APC匯報環路。
|
品牌
|
型號
|
描述
|
貨期
|
庫存
|
|
ADI
|
HMC611LP4
HMC611LP4E
|
對數檢波器控制器,采用SMT封裝,0.001 - 10.0 GHz
|
現貨
|
151
|
HMC611LP4技術應用
-
蜂窩/PCS/3G
-
WiMAX、WiBro、WLAN、
固定無線和雷達
-
功率監控和控制電路
-
接收機信號強度指示(RSSI)
-
自動增益和功率控制
HMC611LP4優勢和特點
-
寬動態范圍:高達63 dB
-
高精度:±1 dB
54 dB范圍高達8 GHz
-
電源電壓:+5V
-
出色的溫度穩定性
-
緩沖溫度傳感器輸出
-
緊湊型4x4mm無引腳SMT封裝
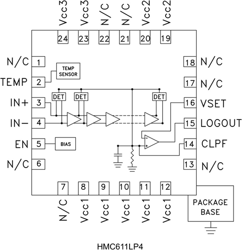
HMC611LP4結構圖
