HMC547ALC3/HMC547ALC3TR普通型寬帶網絡高防護隔離SPDT轉換開關 ADI期貨
發布公告時刻:2018-07-10 13:58:18 觀看:7436
HMC547ALC3是款萬能型聯通網絡帶寬高隔開非漫反射GaAs MESFET SPDT啟閉,應用了3x3 mm無引腳衛浴陶瓷表貼封裝。該啟閉頻點規模為DC至28.0 GHz,在中頻段時有著高過40 dB的隔開度和低于2 dB的復制到材料耗費。聯通網絡帶寬寬、很快啟閉和密集型外形尺寸使吸收的作用式SPDT非常適合警用EW/ECM和測試儀設配應用。該啟閉應用了-5/0V的互補原理負保持直流電壓方法電纜線業務,不可偏置電源模塊。若您有任意的問題,請聯絡大家立維創展,大家會盡極限認真為你服務保障。
|
品牌
|
型號
|
描述
|
貨期
|
庫存
|
|
ADI
|
HMC547ALC3
HMC547ALC3TR
|
GaAs MMIC SPDT非反射式開關,DC - 28.0 GHz
|
現貨
|
233
|
HMC547ALC3用
-
光纖和寬帶通信
-
微波無線電和VSAT
-
軍用無線電、雷達和ECM
-
測試儀器儀表
HMC547ALC3優勢和特點
-
高隔離度:
45 dB (10 GHz)
39 dB (20 GHz)
-
低插入損耗:
1.9 dB (10 GHz)
2.2 dB (20 GHz)
-
快速開關:6 ns
-
非反射設計
-
16引腳3x3 mm SMT陶瓷封裝:9mm2
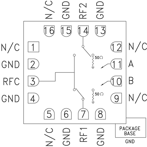
HMC547ALC3結構圖
