HMC322ALP4E/HMC322ALP4ETR光纖寬帶非射線SP8T轉換開關 ADI外盤
上線用時:2018-07-10 15:03:37 瀏覽記錄:1994
HMC322ALP4E不是款網絡帶寬非射線GaAs MESFET SP8T電打開按鈕,按照成本分析投入無引腳表貼封裝形式。 該電打開按鈕頻段標準為DC至8 GHz,極具高分隔和低插入圖衰減。 該電打開按鈕還集都是片內二進制破譯三極管,將所要思維模式有效管控線減至四條。 該電打開按鈕按照0/-5V負有效管控的電壓工作上,所要統一偏置為-5V。 該電打開按鈕可用作于50歐姆或75歐姆程序。若您有其余問題解答,請聯絡我國立維創展,我國會盡明顯精力為您功能。
|
品牌
|
型號
|
描述
|
貨期
|
庫存
|
|
ADI
|
HMC322ALP4E
HMC322ALP4ETR
|
GaAs MMIC SP8T非反射式開關,DC - 8 GHz
|
現貨
|
186
|
HMC322ALP4E軟件應用
該按鈕開關使主要適用于DC - 8.0 GHz 50歐姆或75歐姆設備:
-
寬帶
-
光纖產品
-
開關濾波器組
-
低于8 GHz的無線應用
HMC322ALP4E優勢和特點
-
寬帶性能: DC - 8.0 GHz
-
高隔離度: >30 dB@ 6 GHz
-
低插入損耗: 2.4 dB@ 6 GHz
-
集成式3:8 TTL解碼器
-
24引腳4x4mm QFN封裝: 9 mm2
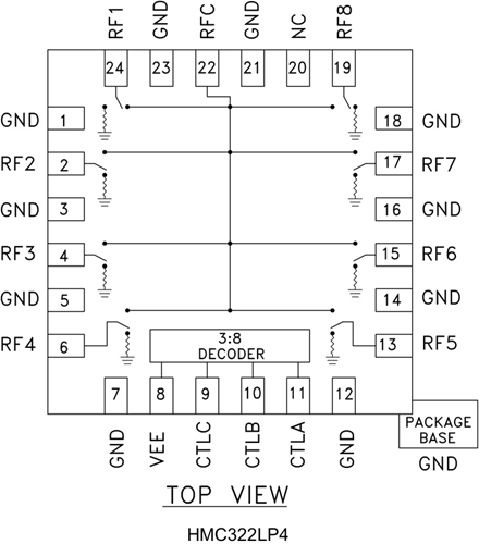
HMC322ALP4E結構圖
