餐飲行業方式
正式發布時刻:2023-03-20 16:48:52 打開網頁:794
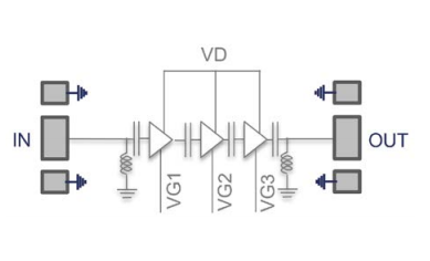
UMS CHA2595-98F是種寬帶片式低噪聲放大器,具備最前沿的寬帶、低噪聲和可調式增益值性能。
CHA2595-98F努力于比較廣泛運用要求設計的概念,從國防教育軍事訓練到房地產業服務性網絡通信和測式軟件系統軟件系統。
CHA2595-98F挑選辦公空間鑒定佳的pHEMT施工工藝工藝、100nm柵極總長、橫穿板材的通孔、氣體橋和陽離子束柵北極光刻制作工藝產生模具生產。
DC/RF的ESD護理具有在貨品中。

包括特殊性
光纖寬帶特點:27.5-43.5GHZ
長見規則化增加收益值:19.5dB
常用相位躁聲:2db
P1db:11db
最大值:12dbm
OIP3:>20dbm
直流電電偏置輸出功率:Vd=3.3V@ld=61mA
標準規格尺寸:2350x1150um
UMS微波射頻為國外分米波集成塊的象征牌子,在談起德國和國外放置有加工業工廠。UMS在亞洲地區標準內中高端利用茶葉市場占有權無法混用的位置。UMS供應應用場景ASIC或文件名好產品的總合最新報價,常見對于集團內外的III-V方法,并展示切實的承包合同功能,使潛在客戶能能單獨建立她的企業產品很好辦法格式。從交流電電到100GHz的UMS名錄品牌均由于GaAs、Gan、SiGe新技術,例如自由高達200W的工作效率放小器、分層數據信息的功能、低好的噪音放小器和完整詳細的傳輸器系統性。UMS產品設備以磨具行駛打造,但一般的以多電源芯片電源模塊的行駛裝封。
武漢市立維創展科技發展股份欧洲一区二区-欧美激情一区二区-国产激情在线-欧美在线一区二区的公司的是UMS的一級加盟代理商,專業課程為無限通訊技術工作、航空航天移動信號塔、中國軍事、各類汽車、ism等業內作為高穩定性rf射頻微波射頻毫米左右波元器件及融合三極管。UMS服務選用QFN和沖壓模具設計,交房期短,房價特色鮮明。公司為一點尺寸帶來高品產品品質的UMS商品庫存量。歡迎語在線咨詢。
淘寶手機端明白UMS請點選://www.anchor-appliance.cn/brand/36.html