行業領域信息
正式發布時間:2023-03-24 16:38:30 閱讀:1152
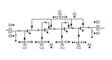
UMS CHA2368-98F是款四級單片低噪聲放大器,在50-71GHz頻率段內具備21dB線性增益值和3.5dB相位噪聲。CHA2368-98F包括對各個RF瀏覽和DC焊層的ESD保護。
CHA2368-98F的設計把他們拿來從行業到區域空間通信技術程序的應運領域行業。
CHA2368-98F備選pHEMT新工藝高技術、0.1μm柵極粗度、橫穿基面材料的盲孔、氣氛橋和化合物束柵北極光刻方法分娩制造出,適用于于必備BCB層維護的裸IC芯片。

通常特證
工做頻段:50-71GHz
相位躁音:3.5db
P1db:12dB
增加收益值:21db
增益值操控:30db
BCBlaver守護
常見直流電電偏置電流:Vd=3.3V@ld=75MA
單片機芯片長度2.57mmx1.17mmx0.07mm
UMS微波射頻充當歐洲國家毫米(mm)波存儲芯片的體現高端品牌,在談起德國和國內設制有工業基地網。UMS在世界各國使用范圍內中高端應該用市廠支配權難以充當的位置。UMS提供了由于ASIC或總目錄食品的總體價目,主要立于平臺組織結構的III-V技術水平,并提高詳細的合作合同服務于,使雇主能能隨便開啟自個的成品處理設計。從直流電源電到100GHz的UMS子目錄產品設備均系統設計GaAs、Gan、SiGe技術水平,比如高達mg200W的工作效率圖像放縮器電路、混后衛星信號軟件系統、超底背景噪聲圖像放縮器電路和完成的收取和發送器軟件系統。UMS車輛以塑料模模式帶來了,但常見以多心片模塊電源的模式封裝。
山東市立維創展科技信息現有總部是UMS的微商總代理,職業為無線網通訊技術建設工程、航空工業通信基站、國防軍事、轎車、ism等行業中展示高不靠譜性rf射頻微波通信亳米波元器及整合電路系統。UMS車輛所采用QFN和合金模具包裝,訂供貨期短,報價資源優勢特有。我們公司為一個技術參數保證高線質量量的UMS貨品庫存量。歡迎辭諮詢。
內容認識UMS請點選://www.anchor-appliance.cn/brand/36.html