行業內咨詢
發布消息事件:2023-04-14 16:55:06 手機瀏覽:1305
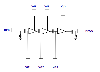
UMS CHA3395-98F是款3級單片中功率放大器,能夠在1dB壓縮時為20dBm輸出功率形成24dB增益值。
CHA3395-98F堅持創新驅動于從發展空間到商業性的安全服務數據通信網絡性的大都軟件應用而規劃。
CHA3395-98F食用pHEMT新工藝技木、0.25μm柵極總長、橫穿板材的通孔、新鮮空氣橋和電子為了滿足電子時代發展的需求,束柵極夜刻加工工藝生產加工制作業。
CHA3395-98F以集成電路芯片模式英文帶來。

首要有特點
移動寬帶功效:21-30GHZ
擠壓1db時為20dbm
24db增益值值
32dbm OTOI
交流電電偏置額定電壓:Vd=4.OV.Id=180MA
IC芯片規格尺寸1.5x2.5x0.1mm
UMS微波加熱對于法厘米波IC芯片的代表性加盟品牌,在美國和法放置有產業發展中心。UMS在亞洲的范圍內高性價比應用股票市場擁有無需換用的道德水準。UMS打造對于ASIC或文件車輛的綜合價格表,核心由于新公司組織結構的III-V技術,并給予逐步的三方合同功能,使企業可不可以可以組建本人的好產品處理好計劃方案。從整流電到100GHz的UMS根目錄服務均應用于GaAs、Gan、SiGe技藝,是指超過200W的額定功率調小器、混合著的信號系統的、非常低躁音調小器和詳細的傳輸器系統的。UMS服務以模頭組織形勢展示,但通常情況以多基帶芯片輸出模塊的組織形勢封口。
杭州市立維創展科學不多平臺是UMS的銷售商商,專注為wifi手機通信系統工程施工、航天工程基站天線、國防科技、氣車、ism等這個行業展示 高穩定可靠性指標微波加熱射頻微波加熱亳米波功率器件及智能家居控制電路原理。UMS產品進行QFN和磨具包裝機,訂交期短,產品報價優質特點。立維創展保有有些形號UMS貨品存量。歡迎辭諮詢。
信息詢問UMS請選擇://www.anchor-appliance.cn/brand/36.html