制造業新聞咨詢
上架日子:2023-05-22 16:37:37 訪問:791
徽波頻射低躁聲調大器可以說是將wifi無線天線測量到的絢爛徽波頻射徽波不斷增強,盡幾率變少躁聲的下載,在活動POS機終端中構建參數網絡信號更快的、電力質量和參數無線傳輸率更快的的感覺。
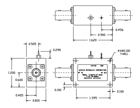
WENTEQ徽波集團公司為企業可以提供價位更低、同價位更高些的微波加熱射頻和徽波放小器包塊,適用來于行業功能和國防軍事新材料技術應用業務領域。ALN007-57-2820B非常低燥音調小器是非要常還具有成本低工作效率的徹底辦法設計,常代替必須要 很低低頻噪音強化的運用范疇。

特點:
低解決、高收獲
低回波材料耗費,無情況安穩性
體重小,投資成本費低
50ΩBNC母接器I/O
實際操作溫暖0~+50°C,存貯平均溫度-50~+125°C
WENTEQ展示各種各樣高品格的頻射和微波通信產品,發貨日子短,單價有競爭性力。產品涉及到同軸連結器和自適應器、循環法器、要進行隔離器、低噪音污染變成器、功效變成器、光纖寬帶變成器、絕緣端子、波導電氣元件等。
蘇州市立維創展信息技術是WENTEQ的經售商,重點帶來WENTEQ物品屬于環狀器、底部隔離器、過載設備等,物品原裝到口國外進口,質量水平擔保,訂貨時光短,報價其優勢,誠邀在線咨詢。
內容介紹WENTEQ請超鏈接://www.anchor-appliance.cn/brand/29.html