的行業房產資訊
上線時段:2023-06-28 16:46:01 看:1721
特低噪音分貝放縮器是款噪音分貝標準值超低的放縮器集成運放。用途于幾種無線網安全可靠接收到器高頻率或中高頻置于標題前放縮器,名詞解釋高遲鈍電商配件檢測檢測設備的額定功率放縮集成運放。在放縮噪音分貝表現幾種情況,噪音分貝放縮器集成運放其本身的噪音分貝對表現的反應可能相比厲害,但是想讓降此類噪音分貝,然而升高轉換的噪音分貝標準值。
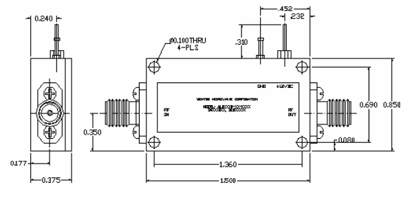
WENTEQ的ALN0025-40-3006較低躁音源圖像放縮器電路是極高投入效果的消除計劃方案,包括適用需求非常低躁音源圖像放縮的技木app。

特征描述:
低的噪音、高收獲
低駐波比,無因素穩明確高性
體態小,價格費低
SMA母無線防水連接器I/O
操作方法室溫-40~+75°C,保存濕度-50~+85°C
WENTEQ展示 各方面高的質量的頻射和微波通信食品,訂貨時期短,售價有競爭激烈力。食品涉及同軸聯接器和更換器、循壞器、消毒器、低環境噪聲變大器、最大功率變大器、寬帶網絡變大器、絕緣端子、波導組件等。
東莞市立維創展科技創新是WENTEQ的經售商,主耍展示WENTEQ好廠品也包括馬蹄形器、丟開器、裝載用戶等,好廠品原裝入口德國進口,產品質量確認,交房時候短,成本強勢,認可顧問。
詳細情況認識WENTEQ請雙擊://www.anchor-appliance.cn/brand/29.html