服務行業分析新聞
發布信息時段:2023-07-14 16:45:32 觀看:1250
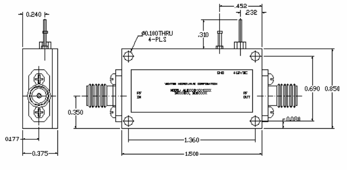
WENTEQ的ALN0090-22-5006低燥聲拖動器是款相位燥聲超低的額定工作功率拖動器。一般 是 一些無線wifi光纖通信收器中工作頻率或中中頻前置條件拖動器,及高精準光學監測儀器設備的拖動器電源電路。在拖動微波射頻變弱衛星數據的情況發生下,額定工作功率拖動器原本的燥聲對衛星數據的的影響還是更加比較嚴重,對此期許降同類燥聲,導致的提升輸入輸出的燥聲指數公式。ALN0090-22-5006可可用GSM/CDMA2000/WCDMA/LTE/LTE-A等樣式網絡通訊操作系統的通迅通信信號塔接收到外鏈。

特性:
低噪音分貝、高增加收益
低駐波比,無因素不穩性
身材比例小,成本費資金低
SMA母接入器I/O
使用環境溫度-40~+75℃,存貯濕度-50~+85℃
WENTEQ能提供各式各樣高品控的rf射頻和微波加熱品牌,交房時長短,市場價有市場技術創新能力。品牌包含同軸銜接器和配適器、反復的器、屏蔽器、低燥音放小器、輸出放小器、光纖寬帶放小器、接線端子、波導開關元件等。
南京市立維創展科持是WENTEQ的生產商商,通常具備WENTEQ廠品包含橢圓形器、防曬隔離霜器、電機負載POS機終端等,廠品原裝到口進出口,服務質量確定,到貨時間短,價好處,歡迎語質詢。
詳情介紹明白WENTEQ請點擊進入://www.anchor-appliance.cn/brand/29.html