行業領域知識
發布的時期:2023-07-18 16:52:09 瀏覽網頁:1476
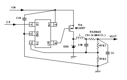
TOREX調控器XC9220系列表是多基本功能穩壓DC/DC智能控制器IC。給XC9220類別控住器外增配有一項轉換開關電子元器件,有一項公率電感,有一項中級管和兩大電解電容便可兌換有一項高效能率,比較安全的,傳輸電流值高至3A的旋轉直流電源開關。XC9220產品系列保持器能實用低ESR電感這類瓷質電感用到它的輸出精度電感。
XC9220型號控制模塊出個0.9V(±1.5%)基準價電流值,采取外置分壓電式阻就行所以設有輸送電流值。次數面積為300kHz,500kHz和1MHz,能采用中的型其他元元器。在軟起動服務器時期,XC9220A和C系列作品是里面配置為4ms,XC9220B和D一系列會在外邊使用。XC9220品類操控器具有內置式UVLO(欠壓鎖閉)功能,當鍵入端電壓降低2.3V或較低的情況下下, 外部P橫截控制開關元器會被立即性開起。

特證
運作電流值空間:2.8V~16.0V
傳輸電阻外觀設有:0.9V(精密度計算公式±1.5V)
率范疇:300k,500k,1.0MHz
操作方案:PWM操縱
帶軟開機啟動的性能:內外配置4ms(TypeA500kHz), 外部設備(TypeB)
庇護電路原理:積分庇護1.0ms(A,B業務類型),擊穿保護措施
低ESR電容(電容器)器:瓷器電容(電容器)器
TOREX半導體芯片大部分打造COMS、感知器、二級管等元電子零件,物品以小空間、的性能優秀而有名的。
佛山市立維創展高新科技限制集團公司,優劣勢代銷TOREX電源線功率器件,非常多現貨交易存貨,的歡迎協議。
寶貝詳情了解TOREX請點擊事件://www.anchor-appliance.cn/brand/62.html
型號 | Type | Output Voltage | Oscillation Frequency | Packages |
XC9220A093ER-G | Soft-start internally set with integral protection function | FB type | 300kHz | USP-6C |
XC9220A093MR-G | Soft-start internally set with integral protection function | FB type | 300kHz | SOT-25 |
XC9220A095ER-G | Soft-start internally set with integral protection function | FB type | 500kHz | USP-6C |
XC9220A095MR-G | Soft-start internally set with integral protection function | FB type | 500kHz | SOT-25 |
XC9220A09AER-G | Soft-start internally set with integral protection function | FB type | 1.0MHz | USP-6C |
XC9220A09AMR-G | Soft-start internally set with integral protection function | FB type | 1.0MHz | SOT-25 |
XC9220B093ER-G | Soft-start externally set with integral protection function | FB type | 300kHz | USP-6C |
XC9220B093MR-G | Soft-start externally set with integral protection function | FB type | 300kHz | SOT-25 |
XC9220B095ER-G | Soft-start externally set with integral protection function | FB type | 500kHz | USP-6C |
XC9220B095MR-G | Soft-start externally set with integral protection function | FB type | 500kHz | SOT-25 |
XC9220B09AER-G | Soft-start externally set with integral protection function | FB type | 1.0MHz | USP-6C |
XC9220B09AMR-G | Soft-start externally set with integral protection function | FB type | 1.0MHz | SOT-25 |
XC9220C093ER-G | Soft-start internally set without integral protection function | FB type | 300kHz | USP-6C |
XC9220C093MR-G | Soft-start internally set without integral protection function | FB type | 300kHz | SOT-25 |
XC9220C095ER-G | Soft-start internally set without integral protection function | FB type | 500kHz | USP-6C |
XC9220C095MR-G | Soft-start internally set without integral protection function | FB type | 500kHz | SOT-25 |
XC9220C09AER-G | Soft-start internally set without integral protection function | FB type | 1.0MHz | USP-6C |
XC9220C09AMR-G | Soft-start internally set without integral protection function | FB type | 1.0MHz | SOT-25 |
XC9220D093ER-G | Soft-start externally set without integral protection function | FB type | 300kHz | USP-6C |
XC9220D093MR-G | Soft-start externally set without integral protection function | FB type | 300kHz | SOT-25 |
XC9220D095ER-G | Soft-start externally set without integral protection function | FB type | 500kHz | USP-6C |
XC9220D095MR-G | Soft-start externally set without integral protection function | FB type | 500kHz | SOT-25 |
XC9220D09AER-G | Soft-start externally set without integral protection function | FB type | 1.0MHz | USP-6C |
XC9220D09AMR-G | Soft-start externally set without integral protection function | FB type | 1.0MHz | SOT-25 |