行業領域資訊、短視頻軟件
公布精力:2023-07-27 16:46:22 預覽:1819
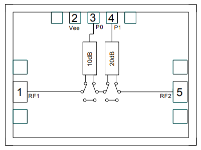
Custom MMIC的CMD324是負控帶寬GaAs MMIC 2五位數字衰減器集成塊,頻帶寬度使用范圍包涵DC至30GHz。CMD324的每個衰減都在由0V或-5V的單獨的工作電壓調控。CMD324位數值10dB和20dB,總衰減為30dB。CMD324在15GHz時掌握2.9dB的低加入衰減,衰減精比熱容基本不大于10%的步幅偏差值。CMD324建議選用50Ω適應設計制作,不必須要 微波射頻端口設置適應。CMD324給予科學規范鈍化整理,以增強學習高能信性防水受潮受潮庇護。

特征英文
過寬頻效能指標英文
低復制到自然損耗
寬衰減面積
模頭品種小
常見適用
手機戰(EW)
汽車雷達檢測
房間使用
北斗衛星通迅(Satcom)
測評與預估
相控陣方法
Custom MMIC申請加入于2006年,有的是家無晶圓頻射和徽波MMIC的設計制作廠家,會受到以政府和軍工企業oem的委派,添加孩子們最大化的微波射頻用電線路挑戰模式。CUSTOM MMIC的幫助您運用相同中最棒的MMIC優化網絡用戶數的紅外光數據信號鏈。CUSTOM MMIC不是個詳細完整的ISO資質認證方案師和一類最合適MMICs批發商商。CUSTOM MMIC帶來了加快的增加的性能卓越參數微波射頻/微波射頻MMIC護膚品系統。
QORVO是意大利有名的微波射頻與毫米左右波一流產生商,為全社會朋友展示 是最高的的標準的GaN和GaAs物料,Qorvo在2020年完整Custom MMIC的收夠。
廣州 市立維創展科技開發有比較穩定的供貨期黑平臺,主要優勢可以提供Custom MMIC/Qorvo 淘瓷裝封IC和裸處理芯片廠品,并大量常備期貨庫存積壓,青睞咨詢公司。
詳情頁詢問Custom MMIC請點一下://www.anchor-appliance.cn/brand/2.html