行業領域快訊
發布公告時間間隔:2023-08-01 16:37:22 瀏覽網頁:6650
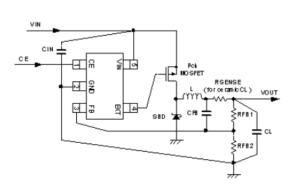
TOREX的XC9221系統是多職能穩壓DC/DC把握器IC。給該處理芯片外觀設備一項啟閉元器,一項馬力電感,一項兩級管和兩位電容器就能贏得一項高效性率,相對的固定的,輸入輸出電流大小高至3A的按鈕開關電源電路。能用到低ESR電解電感比如說衛浴陶瓷電解電感用來作為其輸送電解電感。
XC9221系統把握器出個0.9V(±1.5%)系數相線電壓,運用外置監測電阻值就行隨意沒置模擬輸出相線電壓。作業頻段為300kHz,500kHz和1MHz,
XC9221國產調節器能使用的普通全自動外邊器材。而對軟啟時時限,XC9221A和C編是里面的軟件設置為4ms,XC9221B和D類型會在對外部設置好。XC9221系列作品把控好器具備條件內置的UVLO(欠壓鎖閉)特點性,當輸人電壓電流低于2.3V或更低的情況下,靜態的P一端觸點開關元器件可以被立即性關停。
特性
的工作線電壓面積:2.8V~16.0V
的輸出額定電壓外觀調整:0.9V(精準的度±1.5V)
工作中頻段:300k,500k,1.0MHz
操控策略:PWM/PFM定時啟動的保持
帶軟重新啟動性:內因素4ms(TypeA500kHz),對外部設置(TypeB)
串電守護:兌換積分守護1.0ms(A,B分類),過壓保護好
低ESR電感:瓷磚電感
TOREX半導體行業主耍給出COMS、調節器器、場效應管等元器材,服務以小密度、功能非凡而著名人物。
北京市立維創展科技公司的不足公司的,優缺點包銷TOREX24v電源器材,很多現貨黃金存儲,歡迎圖片媒體合作。
詳細情況分析TOREX請彈框://www.anchor-appliance.cn/brand/62.html

應用 | Type | Output Voltage | Oscillation Frequency | Packages |
XC9221A093ER-G | Soft-start internally set with integral protection function | FB type | 300kHz | USP-6C |
XC9221A093MR-G | Soft-start internally set with integral protection function | FB type | 300kHz | SOT-25 |
XC9221A095ER-G | Soft-start internally set with integral protection function | FB type | 500kHz | USP-6C |
XC9221A095MR-G | Soft-start internally set with integral protection function | FB type | 500kHz | SOT-25 |
XC9221A09AER-G | Soft-start internally set with integral protection function | FB type | 1.0MHz | USP-6C |
XC9221A09AMR-G | Soft-start internally set with integral protection function | FB type | 1.0MHz | SOT-25 |
XC9221B093ER-G | Soft-start externally set with integral protection function | FB type | 300kHz | USP-6C |
XC9221B093MR-G | Soft-start externally set with integral protection function | FB type | 300kHz | SOT-25 |
XC9221B095ER-G | Soft-start externally set with integral protection function | FB type | 500kHz | USP-6C |
XC9221B095MR-G | Soft-start externally set with integral protection function | FB type | 500kHz | SOT-25 |
XC9221B09AER-G | Soft-start externally set with integral protection function | FB type | 1.0MHz | USP-6C |
XC9221B09AMR-G | Soft-start externally set with integral protection function | FB type | 1.0MHz | SOT-25 |
XC9221C093ER-G | Soft-start internally set without integral protection function | FB type | 300kHz | USP-6C |
XC9221C093MR-G | Soft-start internally set without integral protection function | FB type | 300kHz | SOT-25 |
XC9221C095ER-G | Soft-start internally set without integral protection function | FB type | 500kHz | USP-6C |
XC9221C095MR-G | Soft-start internally set without integral protection function | FB type | 500kHz | SOT-25 |
XC9221C09AER-G | Soft-start internally set without integral protection function | FB type | 1.0MHz | USP-6C |
XC9221C09AMR-G | Soft-start internally set without integral protection function | FB type | 1.0MHz | SOT-25 |
XC9221D093ER-G | Soft-start externally set without integral protection function | FB type | 300kHz | USP-6C |
XC9221D093MR-G | Soft-start externally set without integral protection function | FB type | 300kHz | SOT-25 |
XC9221D095ER-G | Soft-start externally set without integral protection function | FB type | 500kHz | USP-6C |
XC9221D095MR-G | Soft-start externally set without integral protection function | FB type | 500kHz | SOT-25 |
XC9221D09AER-G | Soft-start externally set without integral protection function | FB type | 1.0MHz | USP-6C |
XC9221D09AMR-G | Soft-start externally set without integral protection function | FB type | 1.0MHz | SOT-25 |