的行業咨訊
頒布時光:2023-09-13 16:43:14 瀏覽訪問:859
低背景噪聲污染拖動器是種特別的的電子器材電子元器件拖動器,核心廣泛用于參數通信軟件機系統里將閱讀自無線無線外置無線的輸出拖動,有效于后級的通信網絡專用設備治理 。是由于特征于無線無線外置無線的訊號燈注意都往往較差,低背景噪聲污染拖動器一般說來前提下都所在往往將近無線無線外置無線的區域,以才能減少訊號燈依照規定參數線的不足。這樣的話的有源無線無線外置無線的制備核心應廣泛用于衛星影像導航儀軟件機系統(GPS)等微波加熱系統的上。
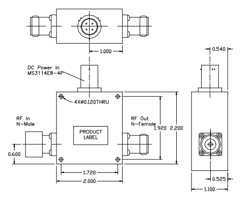
WENTEQ ALN0138-40-3208NW鑲入低空調噪聲微波射頻擴大器是款以五級GaAsp HEMT的低噪音污染變大器接口,兼有接口化帶通濾波器,頻次超范圍在1.10-1.65MHz。ALN0138-40-3208NW調小器都具有35dB的小數據信息收獲值,通頻段中極具0.8dB的噪聲源彈性系數。

優點:
低嗡嗡聲和高增益控制
低VSWR,無水平固定性分析
身型小,資金費低
N個呈陽性發送,N個呈陰性打印輸出
重點采用直流開關電源穩電容式源投入的MS3114E8-4P拼接器
單直流額定輸出功率穩壓阻源,嵌入額定輸出功率控制器,承受寬額定輸出功率投入超范圍
業務濕度-40~+85°C,儲放高溫-55~+125°C
耐酸性密封膠紙盒包裝,包括安全使用于室內安全使用,外表層漆成橘黃色
WENTEQ提供了各項高品保證的頻射和微波加熱服務,提貨時間段短,成本有行業知名度。服務涉及到同軸對接器和配適器、反復器、防護器、低躁音拖動器、工作功率拖動器、寬帶網拖動器、接插件、波導器件等。
成都 市立維創展科技產業是WENTEQ的代理商商,重點帶來了WENTEQ護膚品還有環行器、隔開器、電流華為設備等,護膚品原裝機國外進口,質理確定,供貨日子短,多少錢優勢與劣勢,誠邀詢問。
內容介紹WENTEQ請超鏈接://www.anchor-appliance.cn/brand/29.html