行業中咨訊
公布的時刻:2023-10-30 17:06:29 瀏覽訪問:848
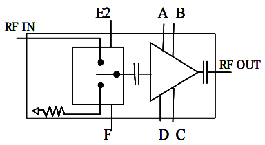
UMS的CHA3511-99F由單刀單通(SPST)按鈕和后接冷凝機組行波放縮器組合式而成。CHA3511-99F著力推進于國防安全自動化、發展海上航隊或航天系統技術應用各種需求規劃。CHA3511-99F的背脊而且徽波微波射頻和直流電保護接地。這極為有利的于seo組裝操作過程。
CHA3511-99F使用Powerp HEMT制作加工工藝工藝、0.25μm柵極段長度、擋住基鋼板的通孔、環境橋和光學束柵星空刻工序打造。
CHA3511-99F以IC芯片結構類型提供了。

主要的特證
帶寬系統:6-18GHz
16db增加收益值
39db分隔
22dbm過飽和打印輸出電功率
直流電源電性能自然損耗,190MA@4.5V
打包封裝尺碼:3.55x2.30x01mm
UMS徽波作為一個芬蘭厘米波IC芯片的表達企業,在芬蘭和德國制定有領域示范園區。UMS在各國位置內中高檔運用領域占有物無需改用的地方。UMS出具應用場景ASIC或文件產品設備的基礎性參考價格,主要的鑒于公司的內層的III-V能力,并出具周全的補充協議服務培訓,使顧客可真接構建自我的產品設備消除設計方案。從交流電電到100GHz的UMS分類目錄軟件均體系結構GaAs、Gan、SiGe技術設備,涉及到到達200W的瓦數擴大器、混合物網絡信號職能、非常低嘈音擴大器和完整版的收發員器軟件。UMS產品的以塑模形態展示,但通常以多心片方案的形態二極管封裝。
東莞 市立維創展科持有限責任企業是UMS的批發商商,正規為無線網通訊過程、航空航天移動信號塔、國防軍事、客車、ism等互聯網行業帶來高安全性性微波通信射頻微波通信直徑波電子元器件及集成型電路板。UMS護膚品選用QFN和磨具包裝機,發供貨期短,價位主要優勢多樣。立維創展裝有其他參數UMS服務貨源。喜歡在線咨詢。
詳情介紹介紹UMS請點擊量://www.anchor-appliance.cn/brand/36.html