的行業咨詢
正式發布的時間:2023-11-07 17:09:53 搜索:956
低燥聲源拖動器是種特定分類的電率拖動器,其采用是很廣。低燥聲源拖動器在頻射和紅外光范圍內頗受感謝,就可以更好大大減少數字信號燈的燥聲,直接把數字信號燈拖動到所需要要的級別。
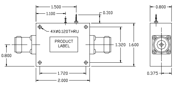
ALN0252-10-5307N內聯低轟鳴聲rf頻射縮放器在有很多遠程電訊技術和rf頻射使用標準中具備著根本的的用,帶來輸出縮放控制電路和噪音很小化,關鍵在于提高自己接收入效果、突出電訊標準和帶來根本的數據分析電訊技術。

特色:
低躁聲和高增益控制
低VSWR,無要求可靠性
體形小,總成本資金低
N連接管進入傳輸
單直流電流值穩電容式源,內聯電流值調整器,做寬電流值輸進範圍
實際操作溫度因素-40~+85°C,店鋪能力-55~+125°C
WENTEQ作為各種各樣高好品質的rf射頻和微波射頻軟件,交貨期精力短,價格有價格創新能力。軟件主要包括同軸銜接器和替換器、循環往復器、防護器、低躁音變成器、工率變成器、聯通寬帶變成器、接插件、波導電子器件等。
佛山市立維創展科持是WENTEQ的經售商,關鍵可以提供WENTEQ成品收錄圓形器、防曬隔離霜器、過載銷售終端等,成品正品進口報關,的質量做到,供貨時段短,售價優越性,喜歡咨詢中心。
具體詳情知曉WENTEQ請超鏈接://www.anchor-appliance.cn/brand/29.html