制造業新聞咨詢
發布了周期:2023-11-07 17:20:51 手機瀏覽:954
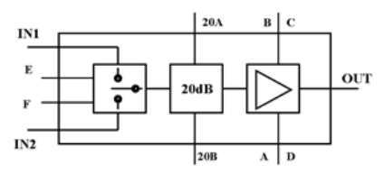
UMS的CHA3512-99F由單刀雙通(SPDT)按鈕、兩步加數衰減器和雙極行波放縮器組裝而成。CHA3512-99F幫著為國防安全創新科技應用軟件需求分析設計構思。集成塊正背有微波通信rf射頻和直流變壓器接地極。這有益于優化方案組裝時。
CHA3512-99F備選PHEMT生產技術性技術性,柵極間距為0.25um,通孔越過的基板,氧氣橋和電子無線束柵北極光刻。
CHA3512-99F具有集成塊樣式。

主要功能
性能性能指標性能指標:6-18GHZ
23dbm達到飽和狀態的輸出電功率
16db增益值值
支持于20db動態的比率的1位衰減器
整流電功效材料耗費:210MA@4.5V
二極管封裝盡寸:4.27x2.46x0.1mm
UMS徽波作澳大利亞分米波基帶芯片的象征著茶葉品牌,在華燁和荷蘭設定有加工業培訓基地。UMS在高度使用范圍內精致應用領域市場上分配權難以方式的戰略地位。UMS展示立于ASIC或目次成品的綜合性價目,最主要鑒于司內外的III-V技術性,并給予周到的三方合同功能,使雇主能夠會創造自個的護膚品完成設計方案。從電流電到100GHz的UMS文件品牌均依據GaAs、Gan、SiGe技藝,例如高達模型200W的最大功率拖動器、混的信號的功能、超高噪音分貝拖動器和全版的出入庫器系統。UMS商品以鑷子表現模式提高,但一樣 以多處理器電源模塊的表現模式打包封裝。
南京市立維創展高新科技不多大公司是UMS的代理加盟商,技術專業為移動無線電技術項目 、航天工程移動基站、國防安全、汽車汽車、ism等職業出示銷售電價分析性rf射頻微波射頻亳米波元器件封裝及集成系統電源電路。UMS產品所采用QFN和沖壓模具標簽印刷,交供貨期期短,價優質獨具特色。立維創展留有一定型號UMS軟件存儲。誠邀咨詢公司。
商品詳情頁了解到UMS請點擊事件://www.anchor-appliance.cn/brand/36.html