企業訊息
披露時間:2023-11-15 17:03:45 訪問 :903
UMS的CHA3024-99F是個可調節為增加收益的控制設備化(AGC)基本概念的分布區式低噪音分貝變成器,幀率超范圍在2到22GHZ左右。
CHA3024-99F大部分適用于豐富的應運中,譬如電子技術戰、XandKu一對一無線數字通信網和檢查環保設備。
CHA3024-99F選購0.PHEMT技術工藝,柵極參數為15um,柔性板上長通孔、大氣橋和光柵光刻新技術。
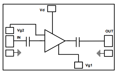
CHA3024-99F以處理芯片的形式提高,輸入和工作輸出RF環路都可以迅速的匹配好到50ω。

最主要特色
寬帶網性能方面:2-22GHz
先進典型線形收獲值:15db
Vg2可調節式增益值值高至30db
P1B:18dBm
Psat:20dbm
OIP3:30dbm
其最典型的相位嘈音:3db
整流電偏置輸出功率:Vd=5Vd=100MA。Va1=-03VandVa2=1.7V
封裝長寬:3.04x1.73x0.1mm