制造業方式
披露時間段:2023-11-24 17:19:34 打開網頁:925
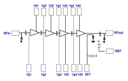
CHA6653-98F是款四個維度單支Gaas高效率調小器,能夠存在1.8w的輸出工作效率。CHA6653-98F是特別直線的,遵循收獲操縱耐磨性,并結合化熱效率查重器。富含ESD保證。
CHA6653-98F專為5G采用訴求方案。
CHA6653-98F運用PHEMT加工過程方法,柵極盡寸為0.15um。

核心基本特征
寬帶網耐熱性:27-34GHZ
32dbm達到飽和狀態最大功率
38dbmOIP3
23db增益值值
直流電源電偏置的電壓:Vd=6伏ldq=0.9A
裝封尺寸大小3.61x3.46x0.07mm