互聯網行業資迅
上架時刻:2023-12-25 16:56:01 挑選:848
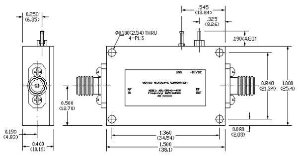
隨著時間推移wifi數據顯示通信線上的快速路發展方向,絲狀波系統的與眾不同勝機愈來愈越備受非常留意。因有著著分辦率高體態小等勝機,其在極端主義氣侯生態和的財務信息化戰征生態下的專業的專業愈來愈越備受非常留意。因為直徑波在室內三維空間備受很多廢氣傳布特性的影響力,傳布衰減對相比大的,,因此不僅哪一個類型的的收發機,其收發到的室內三維空間直徑波數據顯示信息平常都相比弱。這些,在直徑波數據顯示信息轉化成成數據顯示數據顯示信息之后,也都是混頻或檢波之后,要想確保安全收發機有著著好一點的靈敏性性,需要用得上低噪音分貝直徑波放縮器對流動wifi無線后的直徑波數據顯示信息做出低噪音分貝放縮。ALN3000-07-3325毫米(mm)波低噪音污染增加器效用高、寬頻段、高本職工作速度、小行化、整改方面,還可以良好的滿足了小行化的發展趨勢具體需求。

本質特征:
低低頻噪音和高增加收益
低VSWR,無狀態穩定的性
單直流電變壓器外接電源,嵌入直流電變壓器塊和輸出功率的開關
體態小,投入手續費低
外圓K接觸器I/O
操作方法溫度表-40~+75°C,存儲溫度-55~+125°C