市場方式
發布公告時間間隔:2018-08-27 11:37:58 瀏覽訪問:1892
AMCOM的GaAs MMIC PAs系軟件,較近推出了EM 封裝形式,是代替以后的FM裝封的,開展之后每到幾年內所有 重命名成EM, FM還是可能堅持售賣。 EM的性較好,更有優勢。
EM芯片封裝的設計說明

引用:
1、產品/的原材料清單表格:
|
簡述 |
的材料 |
|
引線前端框架 |
銅 |
|
環框 |
氧化物鋁的款式1 每ASTM d2442 |
|
輪緣 |
CuW (75W;25Cu) |
1.1原材料和/或研發的時候的一些變化應以以書面的形式的形式審批。
1.2各個發運運輸的分享說明書應存盤不低于四年。應按的標準出示職業技能證書掃描件。
2、標準:
3、2.1鎳板規定要求:
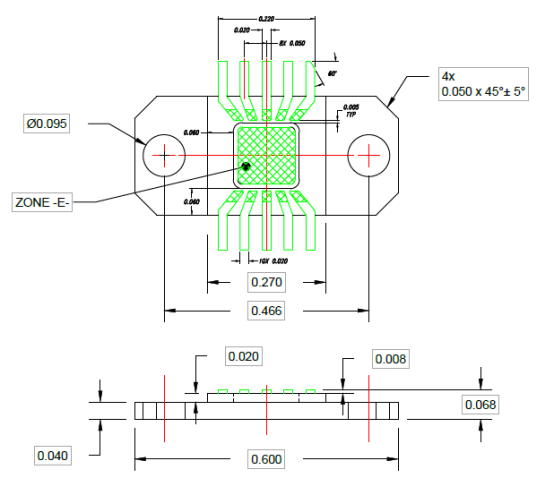
2.1.1涂層高度:100微英尺最短氨基磺酸鎳在領域-E的中側量。
2.1.2鎳的厚度數劇應導出在信息中,并結合合作方要作為信息。
2.2金板的要求:
2.2.1渡金應按照MIL-STD-4204,第1類,III型的的分類規范;在銀礦床中,鉈做為發亮劑或晶粒度落實措施劑的用是不容許的。
2.2.2金純凈度數據分析職業合格證書應由批發商商提高,僅作不至少多于五年。應符合要求買家提高職業合格證書印件。
2.2.3鍍鋅層層厚:最低505英寸,很小衡量空間E--。
3、測試/可靠性試驗:
3.1膠貼劑插頭:
3.1.1鍵合游戲界面為90%無細縫。
3.2.2在聚合反應物到法蘭盤膠粘插頭中的縫隙或不連著性是可聯受的,的規定設計入口兼具滲漏統一性,MI-STD-883具體方法1014.10C。
3.2非常平整度:
3.2.1區-E(重疊地域)為0.0010平。
3.3兩端對齊:
3.3.1聚苯胺物對法蘭片的角向排布,最大程度3°。
3.4熱期:
3.4.1鍍銀應在的空氣氣息中進行320°C±5°C,一直5半小時±30秒。經由熱治療再生。
3.4.2引線拉力:引線在拉90°到環框單面的時候應該擁有較小0.66磅健康上網依據面。
3.4.3可焊性:引線應按MIL-STD750,做法2026可焊(省略除基礎之外的過熱蒸汽氧化)。
3.5要進行隔離漏糞應在活套法蘭和引線直接的200 VDC處為1微安,并會造成引線。
3.6引線框不可擴寬到環框空腔外緣。















更大的情況,請結合企業客服中心!!!