業資訊新聞
發表精力:2024-01-12 16:59:19 搜素:1198
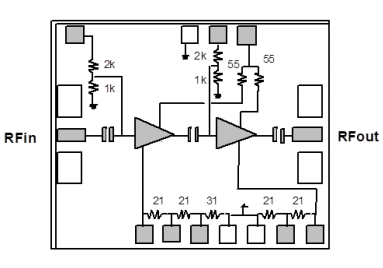
CHA2063A99F是款兩極帶寬單支低嗓聲擴大器。
CHA2063A99F以集成塊類行廠家直銷。電源線控制電路選擇使用PHEMT制造工藝工藝,0.25um柵極尺寸規格,橫穿基材的通孔,氣體橋和微電子束門光刻的技術。
CHA2063A99F有集成電路芯片結構類型。

重點顯著特點
光纖寬帶性7-13GHZ
2.0db燥聲公式,8-13GHZ
19db增益控制值
低交流電技能衰減,40MA
18dbm三階截距點
封裝類型寬度:1.52x1.27x0.1mm