企業新聞
上傳時:2024-02-26 17:17:51 閱覽:1230
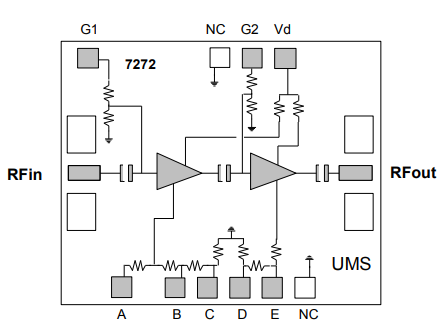
UMS的CHA2066-99F是款二級寬帶網絡片式低躁聲變小器。
CHA2066-99F選用規格HEMT生產工藝技巧:0.25um柵極長寬比、橫穿基鋼板的螺孔、環境橋和電子技木束柵流星刻技木。
CHA2066-99F以集成電路芯片形式展示 。

主要特點
帶寬的性能10-16GHZ
2.0db相位的噪音,10-16GHZ
16db增加收益值,+0.5db增益控制值表面鋼筋保護層
低直流電壓功效不足,50MA
20dbm三階截距點
封口尺寸大小:1.52 x 1.08 x 0.1mm
北京市立維創展科枝有局限集團公司授權管理銷售UMS徽波,應對這部分規格型號的UMS好新產品帶來了好的現貨平臺好新產品交易量,認可網絡咨詢。