互聯網行業快訊
公布的時間間隔:2024-03-01 17:08:29 瀏覽網頁:820
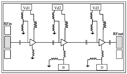
UMS的CHA3689-99F是款三級分銷自偏置寬帶網絡單面低躁音變成器。
CHA3689-99F被設計用做從航空航天軍用到商業樓網絡通訊裝置的絕大多數運行。CHA3689-99F配用pHEMT工藝設計科技,柵極規格為0.25um,通孔橫穿基材,水汽橋和智能電子束柵幻影刻方法。
CHA3689-99F具備電子器件的方式。

特點
寬帶網功能:12.5-30GHz
2.0dB相位躁音
26dB收獲值(12.5-26GHz)
26dBm傷害IP3(18-30GHz)
低直流變壓器電實用功能損耗費
直流變壓器電偏置交流電壓:Vd=4伏,Id=90/120mA
二極管封裝面積:2.45 x 1.21 x 0.1mm
長沙市立維創展科學是有限的裝修公司認證經銷處UMS微波加熱,而對大部分規格型號的UMS物品展示 良好的現貨交易物品貨源,歡迎辭咨詢了解。