行業內最新資訊
上傳準確時間:2024-03-12 17:12:21 閱覽:799
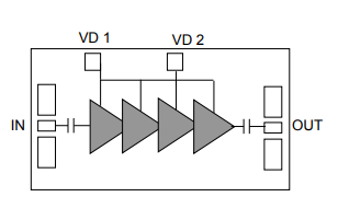
UMS的CHA2266-99F是款自偏置、低噪音污染高增益值能夠放小器。CHA2266-99F一般可以通過Ku頻段的 VSAT 技術應用需求量開發。處理芯片的后背同時微波加熱rf射頻和直流電壓地線。這助進于提高重新安裝作業進程。
CHA2266-99F所采用基本概念GaAs pHEMT技藝高技術工藝,必備橫穿基鋼板的通孔、水汽橋和電子元器件束柵北極光刻高技術工藝。
CHA2266-99F以IC芯片模型提高。

關鍵特殊性
網絡帶寬能12.5-17GHz
2.5dB相位躁聲
34dB增加收益值,+/-0.5dB收獲值不平度
低直流變壓器功能模塊耗損率:130mA
呈現飽和狀態打印輸出熱效率:16dBm
打包封裝的尺寸2.32 x 1.02 x 0.1mm
東莞 市立維創展科技總部是有限的總部軟件授權經售UMS微波加熱,根據要素具體型號的UMS好物料展示質優的現貨交易好物料庫存積壓,熱情接待資訊。