服務業手游資訊
發表耗時:2024-03-21 09:23:53 預覽:852
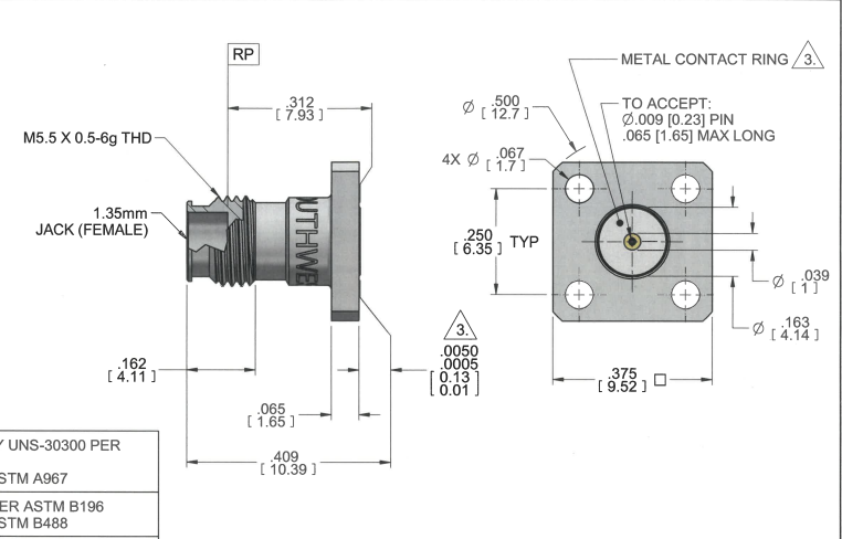
SOUTHWEST西南微波 2212-00SF 1.35 mm (E) 插孔(母) 4 孔 .375 四方形進行防水聯接器是專為微帶或地線共開關按鈕開關而設置方案的,不應用來很多各樣的的裝修板材和裝修板材壁厚。是專為微帶或地線共開關按鈕開關而設置方案的,不應用來很多各樣的的裝修板材和裝修板材壁厚。該進行防水聯接器能保證優良的電磁波全部性,可尋環使用的,不需焊接工藝,按照更便捷。


連接器特性:
主板接口類形:1.35mm Jack(Female),預兆著該進行射頻連結器為母頭(電插座)類形,適于于與相對應的公頭(插針)的符合進行連結。
的表殼建筑材料:相電源連接器的表殼按照建筑鋼材研發,存在很好的機誡承載力和增強性。
學習材質:學習部門主要包括BeCu硬質合金(UNS-C17300),真是一些質量上乘的導電材質,可確保安全移動信號傳輸數據的動態平衡性和靠譜性。
外表辦理:接處面根據關鍵化學鎳辦理(合適ASTM B488標準規范),以加快導電效果和抗陽極氧化學習能力。
一些性能特點:接器定制有360°的復合的一定接地極環,帶來了了優良的屏弊功能,可以減少磁感應電磁干擾。然而,它還必備個凸起來的復合的一定接地極環,助于建立快又穩固的的一定接地極接。
SOUTHWEST大西南徽波欧洲一区二区-欧美激情一区二区-国产激情在线-欧美在线一区二区確立于1981年,為豪米波和高輸出功率rf射頻軟件出示較高穩定性的互連食品。SOUTHWEST華南微波射頻物料蘊含各式各樣標準化法蘭片金屬接頭、SMA線接頭、N型頭聯系器、TNC聯系器、2.92mm接連器、2.40mm連結器、支持器、連接頭等。SOUTHWEST車輛以高特點、五金機械為的技術優劣勢,SOUTHWEST很廣軟件于各種測試、軍品等工程項目。如各個厘米連入器、電線電纜等。
廣州 市立維創展科持得到SOUTHWEST華北微波射頻大絕大多數款式可以提高現貨平臺商品,并援助可以提高枝術的支持與售后維修點服務培訓。
詳細信息熟悉SOUTHWEST華東微波加熱請鼠標點擊://www.anchor-appliance.cn/brand/7.html