服務行業方式
發布的時間間隔:2024-04-22 09:28:29 搜索:873
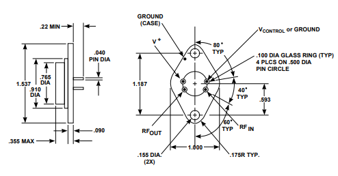
AGC-330是一款壓控放大器,由Teledyne公司生產。它采用了兩級薄膜雙極射頻放大器和具有0至5伏直流控制的PIN二極管的組合。這種設計使得AGC-330能夠實現超過36 dB的增益變化。電阻反饋確保了在不同溫度下的穩定增益,并且通過使用旁路電容器和扼流圈來對偏置輸入電壓進行射頻保護。該放大器封裝在TO-3密封封裝中。

以下是AGC-330的主要特性:
- 幾率使用范圍:5至300 MHz- 單包封裝類型- 寬AGC條件:36 dB(基本特征值)- 22 dB的增益值(關鍵值)AGC-330的主要應用包括:
- 開環或閉環把控好增益把控好把控好- 接收到機讀取收獲調節- 智能變送器的輸出調平控制等功能和app使AGC-330在比較廣泛的頻射手機模式中含有重要的的幫助,譬如通信裝備裝備、雷達天線模式等。| Maximum Ratings | |
| Parameter | Maximum |
| DC Voltage | +17 Volts |
| Continuous RF Input Power | +13 dBm |
| Operating Case Temperature | -55 to +125℃ |
| Storage Temperature | -62 to +150℃ |
| “R”Series Burn-In Temperature | +125°℃ |
| Thermal Characteristicsl | |
| θ?c | 105/105°C/W |
| Active Transistor Power Dissipation | 105/180 mW |
| Junction Temperature Above Case Temperature | 11/19°℃ |
| Weight:(typical)14.5 grams | |
北京市立維創展高新科技是Teledyne防務電子無線的銷售商,打造Teledyne防務電商商品歸屬于LDMOS、GaN、GaAs和InP。Teledyne防務電子器件護膚品線蘋果支持寬頻寬、窄帶、電磁擴大器,頻率1MHz~220GHz,電率mW~10kW,優點途徑作為Teledyne防務網絡訂購,歡迎大家網絡咨詢。
詳細信息理解Teledyne防務網上請彈框://www.anchor-appliance.cn/brand/46.html