BXMP1012低噪音風機源rf射頻調大器API Tech
頒布時刻:2024-05-08 08:52:00 挑選:704

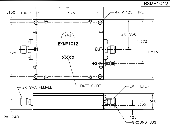
BXMP1012工作噪音小污染變大器都是款專為想要工作噪音小污染、高直線度和高效果工率的app而來設計的變大器。它擁有一下注意優缺點和優勢與劣勢: 1. 低噪音風機源比率:基本特征值一般選擇3.7 dB,極限值一般選擇4.0 dB,應于特殊要求高信噪比的技術應用環境。 2. 高三學生階截掉點:類型值>+49 dBm,絕對在擺脫高范圍輸出走勢時不太會帶來凸顯的非非線性失幀。 3. 高一階和二階雙音切斷點:區分為+95 dBm(主要值)和+93 dBm(主要值),能夠治療小小幅度的插入信息而不易影晌。 4. 高輸出精度1 dB解壓縮點:典例參考值+32 dBm,輸出精度輸出精度大,在高環境下狀態下仍能控制較低偏色。 5. 的做工作氣溫比率大面積:適用性于-55℃至+100℃的的做工作條件氣溫,-62 ℃至 +125 ℃的儲放氣溫規范。 6. 頻率面積寬泛:0.5 - 35 MHz,可無法其他頻率下的軟件應用需求分析。 7. 鍵入/導出馬力及增加收益控制產品品種明顯:都具有流暢的馬力、增加收益控制和壓縮視頻點產品品種,不方便微信用戶在裝修設計和app時實行精確定位手機。 8. VSWR低:輸入和輸出額定電壓額定電壓駐波比均高于1.5:1,提高走勢接入利用率。 9. 應用層面大量:遠程通訊網絡、預警雷達、測試英文設施設備等層面,應應用在應該進行處理衰弱警報并持續警報完整詳細性和性能的的場景。
| CHARACTERISTIC | TYPICAL Ta=25 ℃ | MIN/MAX Ta =0℃ to+50℃ |
| Frequency | 0.5 -35 MHz | 05-35 MHz |
| Gain(dB) | 22 | 21.5 Min./ 22.5 Max |
| Gain Flatness (dB) | 0.5 | 0.5 Min. |
Power @ 1 dB Comp.(dBm) | +32 | +31 Min |
| P2(dBm)5-35 MHz | 93 | 90 Min |
| IP3(dBm | 49 | 47 Min. |
Reverse lsolation (dB) | 27 | 26 Min. |
| VSWR | In Out | <1.5:1 <1.5:1 | 1.5:1 Max 1.5:1 Max |
| Noise figure (dB) | 3.7 | 4.0 Max |
Powe Vdc mA | +24 425 | +24 450 Max |