行業領域內容
上架時刻:2024-05-20 09:02:27 搜索:872

主要特點:
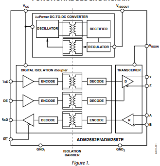
- 全版集成化式防護隔絕數劇收到器:ADM2587E集成化了三通管道防護隔絕器、三態差分路線控制器器、差分進入收到器和其中一個isoPower DC/DC轉為器,展示 了其中一個全版的信號燈和電壓防護隔絕很好解決措施。 - ±15 kV ESD保養:RS485輸入/內容輸出引腳都具有除靜電尖端放電(ESD)保養,的提升了體統的牢固性和靠得住性。 - 集合式底部分隔DC-DC24v電源:內部設置有的isoPower技巧作為底部分隔的DC/DC轉移,需外表DC/DC底部分隔功能模塊。 - 合適要求規格:設計方案合適要求ANSI TIA/EIA-485-A-98和ISO 8482:1987(E)規格,適合于勻衡的發送路線圖。 - 利索的運行電流值:支持系統5V或3.3V單電源適配器變電。 - 高統計資料強度:ADM2587E可以支持到達500 kbps的統計資料強度。 - 多結點適配:系統總線能夠 連到幾平256個結點。 - 常見錯誤代碼呵護好:享有斷路和跳閘常見錯誤代碼呵護好收到器填寫,并且熱關斷呵護好用途。 - 高共模瞬變抗擾度:享有大過25 kV/μs的共模瞬變抗擾度,提生了軟件系統在嚴酷環境下的比較穩明確。應用:
- 防護屏蔽式RS-485/RS-422端口方式:常應用在須得電子商務防護屏蔽的RS-485/RS-422通訊端口方式。 - 工業化化場地網路:在工業化化定時化和把控好整體中,在構筑可信度的網通信網路。 - 找色兒大數據顯示無線文件傳輸整體:在找色兒通信系統整體中,于速度大數據顯示無線文件傳輸和接收到。產品型號:
| Model' | Data Rate (MMbps | Temperature Range | Package Description | Package Option | |
| ADM2582EBRWZ ADM2582EBRWZ-REEL7 | 16 16 | -40℃ to+85℃ -40℃ to+85℃ | 20-Lead SOIC_W 20-Lead SOIC_W | RW-20 RW-20 | |
| ADM2587EBRWZ ADM2587EBRWZ-REEL7 | 0.5 0.5 | -40℃ to +85℃ -40℃ to+85℃ | 20-Lead SOIC_W 20-Lead SOIC_W | RW-20 RW-20 | |
| EVAL-ADM2582EEBZ EVAL-ADM2582EEMIZ EVAL-ADM2587EEBZ EVAL-ADM2587EEMIZ EVAL-ADM2587EARDZ EVAL-ADM2587ERPIZ EVAL-ADM2587EEB2Z | ADM2582E Evaluation Board ADM2582E EMI Compliant Evaluation Board ADM2587E Evaluation Board ADM2587E EMI Compliant Evaluation Board ADM2587E Arduino Evaluation Board ADM2587E Raspberry Pi Evaluation Board ADM2587E Isolated RS-485 Repeater Evaluation Board | ||||