行業內訊息
發部日期:2024-05-22 08:56:57 瀏覽訪問:864

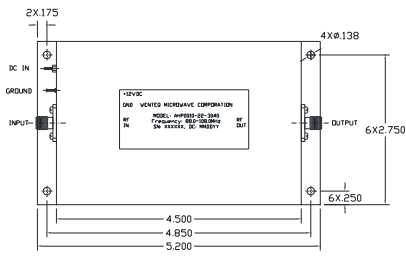
AHP0010-20-3040射頻功率放大器是WENTEQ公司生產的一款高性能微波設備。它具有以下特點:
1. 高電最大功率輸入:能保證多達10瓦特的P-1dB電最大功率輸入,確保安全數據互傳的抗拉強度和成功率。 2. 順暢的VSWR:具備穩固的VSWR, 保障了變成器在上班階段中的穩固性。 3. 提高率益Class AB的操作方法習慣:用到Class AB的操作方法習慣,即在控制提高率益率的的同時控制較低的耗電。 4. SMA型號的婦女聯接器:應用SMA型號的婦女聯接器,便捷與相關微波通信設施設備聯接。 在高壓電器領域,該調小器的工作溫濕度領域之內為-20至+65°C,手機存儲溫濕度領域之內為-45至+125°C,滿意寬溫生活條件下的選用要。高壓電器參數值包擴頻段領域之內(88.0-108.0 MHz)、P-1dB收縮點(+39.0至+40.0 dBm)、打印輸出IP3(55.0 dBm)等,體現了該調小器在頻射耐腐蝕性上具體表現優質。 在機誡架構角度,該調大器長寬約為5.2x3.0x1.05英寸,緊湊型的長寬最合適在的設備內部結構或第三方安裝程序。具備著DC IN、GRDUND、INPUT、OUTPUT等接入點,非常方便與第三方線路接入。規格參數:
| Parameters | Units | Specifications | ||
| Minimum | Typical | Maximum | ||
| Frequency Range | MHz | 88.0 | 108.0 | |
| P-1dB Compression Point | dBm | +39.0 | +40.0 | |
| Output IP3 | dBm | 55.0 | ||
| Nominal Gain@25°℃ base plate temperature | dB | 27.0 | 30.0 | 33.0 |
| Gain flatness | dB | +/-1.0 | ||
| Gain Variation over temperature | dB | +/-1.5 | ||
| Input VSWR | 1.5:1 | 2.0:1 | ||
| Output VSWR | 1.8:1 | 2.0:1 | ||
| Spurious | dBc | -60.0 | ||
| Operating Temperature | ℃ | 40.0 | +75.0 | |
| Survival Temperature | ℃ | -45.0 | +125.0 | |
| DC Power Supply Voltage | V | 48.0 | 50.0 | 53.0 |
| DC Curren Quiescent (no RF) aPout=+40dBm | mA | 100 500 | 200 650 | |
| In/Out connectors | SMA-type female | |||
| Size | inches | 5.2x3.0x1.0 | ||
珠海市立維創展科持是WENTEQ的代理商商,具體提供了WENTEQ企業好產品涉及到弧形器、隔絕器、電動機扭矩終端用戶等,企業好產品原版進口的,性能要確保,價位優勢,的歡迎詢問。