產業資迅
上架時間:2024-05-29 08:47:00 預覽:803

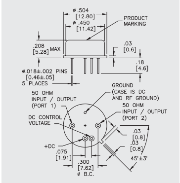
AGC1025是一款高性能薄膜壓控放大器,采用標準尺寸TO-8封裝。其主要特點包括:
- 高增益值:21.5 dB - 手動增加收益調整(AGC)空間:0至5伏,對照增加收益調整空間為+25.0 dB - 操作幀率的范圍:5至1100 MHz,衡量臨界值10至1000 MHz - 增益控制非常平整度:±0.5 dB至±1.0 dB - AGC面積:25 dB至20 dB - 躁聲比率:5.2 dB至6.5 dB - 駐波比(SWR):大于2.0:1 - 輸送工作效率(@1 dB增益控制縮短):+9.0 dBm至+7.0 dBm - 加載的時間:值為10 μsec - 最多直流電壓電壓:50 mA至60 mA(本職工作電壓),0至10 mA(偏置電壓) 互形象能多方面,AGC1025有穩定的二階和三階過濾點。決對最大化輸出功率值包含放置體溫、外殼體溫、直流電電阻值、rf射頻復制粘貼輸出功率等。芯片封裝個人個人信息為條件尺寸TO-8。便用時候需要注重,該調大器應在50歐姆體統下的工作,并在+15 Vdc共電電阻值下會能可達到下列的性能。這樣個人個人信息有利于促進網絡項目 師在設定和應用軟件中正確便用AGC1025。河南市立維創展新材料技術是Teledyne防務光電的供應商商,給予Teledyne防務電子無線的產品包含LDMOS、GaN、GaAs和InP。Teledyne防務自動化服務線能夠寬頻寬、窄帶、電脈沖縮放器,工作頻率1MHz~220GHz,輸出功率mW~10kW,好處推廣方式出示Teledyne防務智能電子訂購,歡迎詞服務咨詢。