市場資訊、短視頻軟件
發布的準確時間:2024-05-31 08:39:12 瀏覽訪問:804
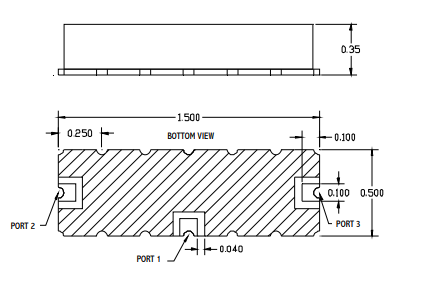
KR Electronics 3427-20/234-25/50+雙工器是一款工作在19.95MHz和233.9MHz的表面貼裝雙工器。這種雙工器的設計旨在為表面貼裝應用提供有效的頻率分離,且能適應50歐姆的負載。如有需要,也可提供其他頻率的選擇。

| Parameter | Bandpass 1 | Bandpass 2 |
| Center Frequency (Fc) | 19.95 MHz | 233.9 MHZ |
| Ports | Port 1 to Port 2 | Port 1 to Port 3 |
| Insertion Loss at Fc | 1 dB max | 1 dB max |
| Source Impedance at Port 1 | 25Ω | |
| Load Impedance at Port 2 | 50 Ω | |
| Load Impedance at Port 3 | 50 Ω | |
| 3 dB Bandwidth | Approximately 10 MHz | Approximately 81 MHz |
| Loss at 250 MHz | 75 dB min | |
| Loss at 19.95 MHz | 80 dB min | |
| DC Blockin | No DC path to Ground all Ports No DC path from Port 1 to Port 2 | No DC path to Ground all Ports No DC path from Port 1 to Port 3 |
該雙工器的特點包括:
- 辦公的頻率:19.95MHz和233.9MHz - 源抗阻為25歐姆 - 短路電流輸出阻抗為50歐姆 - 外壁貼裝設計的 - 某些速率可供ajax請求 關鍵的效果表面在添加圖片耗損率和回波耗損率的效果統計圖表中,為了確保了在整頻譜領域內數據信息脫離較佳,數據信息損毀最低。物理尺寸方面:
- 外面貼裝設計 - 圖片大小:請參閱展示的圖形以想要高效率的獲取到具體圖片大小 - 引腳環境溫度公差:260°C下10秒 這類雙工器極為是和都要準確概率剝離 且面值最小化4g信號盤虧的利用,或者結構設計用在容易集成型到各種各樣智能軟件系統中。KR Electronics是新加坡想開業界資深頻射濾波器制作工司,精準服務于軍工企業與商業性的市場中。其濾波器車輛Bandpass Filter(帶通濾波器)、Highpass Filters(高通芯片濾波器)、Lowpass Filters(低通濾波器)、Root Cosine Filters(根余弦濾波器)、Notch Filters(陷波濾波器)、Diplexer Filters(雙工濾波器)、Equalizers(靜態平衡濾波器)等,品牌上海特色以太低規律和出色性能舉世聞名。
深圳市立維創展科技欧洲一区二区-欧美激情一区二区-国产激情在线-欧美在线一区二区授權許可地區代理銷量KR Electronics濾波器產品。并打造售前工程師和安裝科技蘋果支持產品,歡迎大家質詢。