業新聞咨詢
上線時刻:2024-06-06 08:51:27 搜索:779

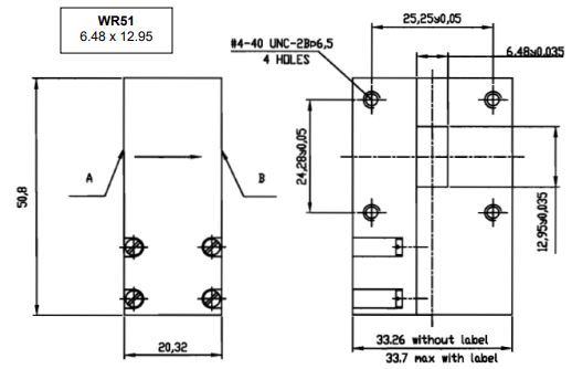
RADI-20-22-WR51-5WR波導隔離器是RADITEK一款高精度的射頻設備,屬于WR51波導系列,有15-17 GHz、17.5-20.5 GHz、17.7-22.2 GHz等多個頻率范圍。該隔離器具有低插入損耗(最大0.3 dB至0.4 dB)、高隔離度(最小18 dB至20 dB)和良好的電壓駐波比(最大1.25至1.30),確保了高效的信號傳輸和隔離性能。它能處理最大10W的正向功率和承受0.5W的反向功率。物理規格包括詳細的尺寸信息和鋁材質,表面經過化學膜處理,增強了耐腐蝕性和耐用性。該設備能在-40°C至+85°C的溫度范圍內工作。
| Frequency | 15-17 | 17.5-20.5 | 17.7-22.2 | 20-22 | 20.2-21.2 | 20.2-21.2 | GHz |
| Insertion loss | 0.3 | 0.4/0.3 | 0.3 | 0.4 | 0.30 | 0.30 | dB max |
| lsolation | 20 | 20/18 | 18 | 18 | 20 | 20 | dB min |
| VSWR | 1.25 | 1.25/1.30 | 1.30 | 1.25 | 1.25 | 1.25 | :1 max |
| Waveguide | WR-51 | WR-51 | WR-51 | WR-51 | WR-51 | WR-51 | |
| Flange | UBR-140 | UBR-140 | UBR-140 | UBR-140 | UBR-140 | UBR-140 | |
| Materia | Aluminum | Aluminum | Aluminum | Aluminum | Aluminum | Aluminum | |
| Finish | Chemical Film | Chemical Film | Chemical Film | Chemical Film | Chemical Film | Chemical Film | |
| Power Forward | 1 | 2 | 1 | 10 | 1 | 1 | Watts |
| Power Load | 1 | 0.5 | 1 | 5 | 0.5 | 1 | Watts |
| Operating Temp | 40 to +85 | -30 to +70/ +15 to +35 | -30to +70 | 30 to +70 | 30 to +65 | 30 to +65 | ℃ |
西安市立維創展科技產業許可經銷商RADITEK紅外光消毒器和圓形器食品,個部分技術參數常備現貨交易。食品原裝到口進口,水平能保證,歡迎詞詢問。