互聯網行業資迅
上傳時光:2024-06-26 08:54:21 觀看:803
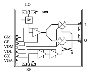
CHR2295-99F是UMS微波通信一款高性能的GaAs單片微波集成電路(IC),專為商業通信系統中的下變頻應用而設計。該芯片集成了多種功能,包括LO(本地振蕩器)時間雙倍頻器、平衡冷FET混頻器和RF低噪聲放大器(LNA),使其能夠有效地將LO信號轉換為RF信號。

該芯片的主要特點包括:
- 寬帶網性能指標:RF下行傳輸速率為24-30 GHz,LO下行傳輸速率為12-15 GHz。 - 轉換成收獲:頻射收獲(Conversion Gain)在11至15 dB范圍內。 - 嗓聲因子:3.5 dB,適宜于中頻段>0.1 GHz。 - LO投入工作功率:很小參考值-10 dBm,最好參考值10 dBm。 - RF放入電功率:在1 dB增加收益收縮點時為-10 dBm。 - 低電流效率消耗掉:120 mA @ 3.5 V。 - IC芯片規格:2.49 x 1.97 x 0.10 mm。 CHR2295-99F分為pHEMT施工工藝制造水平,包括0.25毫米的柵長,并憑借的基板孔、自然空氣橋和電子元器件束柵神行者刻水平進行高的精密度和牢靠性。IC芯片的后邊設置為微波射頻和整流接地線,優化了加裝具體步驟,提升 了整體的牢靠性和特點。南京市立維創展創新科技有現公司的授權經銷UMS微波,針對部分型號的UMS產品提供優質的現貨產品庫存,歡迎咨詢。