行業內信息資訊
發部日子:2024-06-28 08:59:54 挑選:6082

PULSAR倍頻器FX-04-410是一款高性能的電子設備,專為需要精確頻率轉換的應用而設計。以下是該產品的詳細介紹:
產品設備各稱: Pulsar倍頻器FX-04-410頻率范圍:
顯示幾率: 75-1500 MHz 輸出電壓平率: 150-3000 MHz 鍵入電機功率標稱值: +10.0 dBm轉換損耗:
在F2頻帶寬度下: 12.0 dB最主要 在F4概率下: 20.0 dB典例雜散信號抑制:
F1: 20 dBc F3: 20 dBc 封裝類型的類型的: SMA連接器類型:
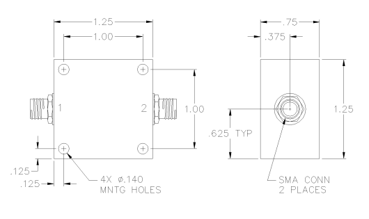
規格配備: SMA female 待選選配: BNC, TNC, F, 和 N connectors 顯示/打印輸出接口: 發送網口: 1 傳輸網絡端口: 2 的的接地方案: 塑料殼的的接地 外貌寸尺: 1.25" x 1.25" x 0.75"
雜散信號抑制性能表明,該設備能夠有效抑制不需要的頻率成分,確保輸出信號的純凈度。SMA連接器是標準配置,但也提供其他類型的連接器選項,以適應不同的應用需求。成都市立維創展技術權限代里銷售人員PULSAR微波通信產品的,并供應售后維修的支持售后服務,歡迎辭詢問。