JL-17/NF 3dB混合型解耦器MCLI
推出時刻:2024-07-01 09:15:04 網頁瀏覽:785
在現代電子通信領域,精確的信號處理和高效的能量傳輸是至關重要的。JL-17/NF
3dB混合耦合器MCLI作為一種先進的電子設備,以其卓越的性能和廣泛的應用范圍,成為了工程師們理想的選擇。
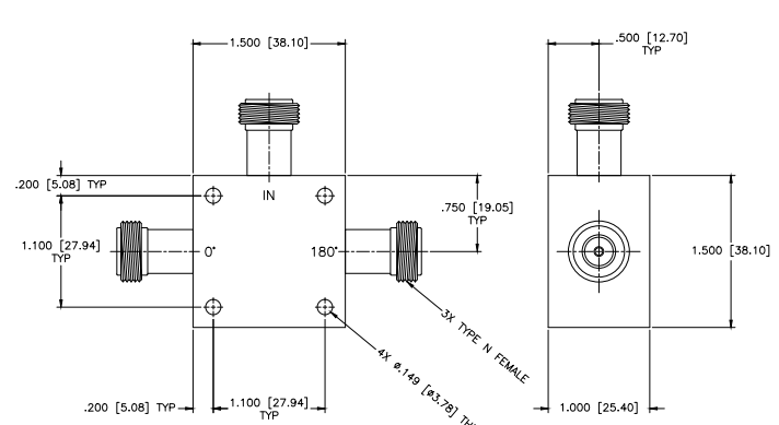
該藕合器的結構設計的特點第一方面體現了在其廣闊的的頻率超范圍上,從0.01 MHz到60
MHz,可以說所覆蓋了所以普通的電力頻段,狠抓了在各種各樣用3d場景下的兼容性問題和遲鈍性。其3dB的明顯藕合值暗示著著在藕合方法上,無線的信號難度將衰減約成功一半了 ,這針對無線的信號左右和輸出控制至關為重要。

防護度是判斷解耦器能的另一類重要統計指標,JL-17/NF
3dB攪拌解耦器MCLI的最長防護度為20dB,更好地減輕了表現外泄,確定了機模式的穩固性和準確性。與此同時,其最大程度VSWR數值為1.30:1,發現了太低的表現反射性,然后增加了機模式的總布局工作效率。 在讀取自然損耗這方面,該合體器的明顯值僅為0.7dB,這是因為著網絡表現在在合體器時的馬力虧損資金單純形,促進企業形成網絡表現的刪改性和程度。力度均衡和相位均衡的明顯值各用為±0.2dB和±2
Deg,以保證了在合體文件目錄和直通式文件目錄期間網絡表現程度和相位的透徹搭配,這針對多文件目錄網絡表現凈化處理極關乎要。 JL-17/NF
3dB相混藕合器MCLI會加工處理的最大化錄入工率為3W,這衡量了其在高工率廣泛應用中的安全可靠性和穩固性。一同,其作業高溫區域從-55°C至+85°C,使其會在惡劣條件下一如既往恢復成績突出的作業安全性能。
蘇州市立維創展科學有限責任集團,權限營銷商營銷MCLI產品,祝賀用戶咨詢了解。