制造行業信息
發布公告時間:2024-07-02 08:46:51 手機瀏覽:6115
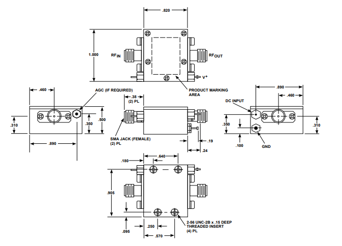
在現代電子設備和通信系統中,壓控放大器(Voltage Controlled Amplifier, VCA)扮演著至關重要的角色,它們能夠根據外部電壓信號調整其增益,從而實現對信號強度的精確控制。Teledyne防務電子無線公司生產的AGC-1053壓控放大器,就是這樣一款高性能的設備,它集成了先進的技術,以滿足各種嚴苛的應用需求。
AGC-1053壓控擴大器利用了以下三個MMIC RF擴大器,每一個擴大器都具備有22dB的增加收益,這更加一小部分擴大器在處置4g信號時還可以可以提供強的擴大作用。另外,它還優化組合了PIN二級管,這類二級管還可以用間接施用的0到+5VDC操作端電壓來改變增加收益的用心調接。這類設計的概念更加AGC-1053在增加收益操作管理方面具備有不高的智能化性和透徹性。
| Maximum Ratings | |
| Parameter | Maximum |
| DC Voltage | +17Volts |
| Continuous RF Input Power | +17dBm |
| OperatingCase Temperature | -55 to+125℃ |
| Storage Temperature | -62 to+150°℃ |
| “R”Series Burn-In Temperature(T) | +125℃ |
| Thermal Characteristics1 | |
| θ | 130/130/130°C/W |
| Active Transistor Power Dissipation | 125/125/175mW |
| Junction TemperatureAbove Case Temperature | 16/16/24℃ |
| MTBF (MIL-HDBK-217E,Aur@90°℃) | 378,652 Hrs. |
蘇州市立維創展網絡是Teledyne防務光學的供應商商,供應Teledyne防務微電子服務內容涵蓋LDMOS、GaN、GaAs和InP。Teledyne防務電子為了滿足電子時代發展的需求,物品線可以寬頻寬、窄帶、脈沖造成的變大器,頻次1MHz~220GHz,瓦數mW~10kW,特色營銷渠道可以提供Teledyne防務電子器件購貨,迎接在線咨詢。