餐飲行業資迅
發布的日子:2024-08-05 08:43:30 瀏覽記錄:733

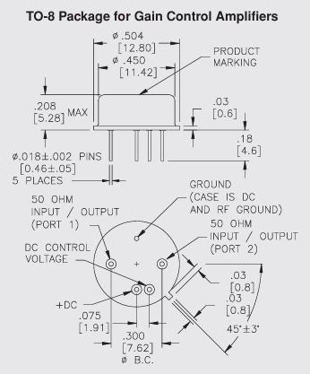
AGC525 TO-8增益控制放大器是由Teledyne防務網上生產的一款高性能產品。以下是該產品的詳細介紹:
基本參數
款式:AGC525 芯片裝封:TO-8標準的厚度芯片裝封,適宜于增益操作操作縮放器 增益控制:明顯參考值25.5dB,不大參考值24.0dB至24.5dB 增益控制非常平整度:最高±0.8dB 噪音分貝比率:極大5.0dB,表達好品質 駐波比(SWR):輸進打印輸出表層均超過2.0:1控制特性
操作領域:0到+5V AGC面積:最長30dB,行為出寬面積的調控力 回復的時間:全AGC下乘以10微秒,調節車速快電氣特性
| Parameter | Typical | 0 to 50℃ | 55 to+85℃ |
| Frequency (Min.) | 10-600 MHz | 10-500 MHz | 10-500 MHz |
| Gain (Min.) Vo=0 | 25.5 dB | 24.5 dB | 24.0 dB |
| Gain Flatness(Max.) | ±0.5 dB | ±0.7 dB | ±0.8 dB |
| AGC Range(Min. | 30 dB | 26 dB | |
| Noise Figure (Max.) | 5.0 dB | 6.0 dB | 6.5 dB |
| SWR (Max.) Input/Output | <1.6:1 | 2.0:1 | 2.0:1 |
| Power Output (Min.) @1dB comp | +11.0 dBm | +10.0 dBm | +9.5 dBm |
| Response Time Full AGC | <10 μsec | ||
| DC Current(Max.) Bias | 45 mA | 48 mA | 51 mA |
| DC Current(Max.) Vo | 0 to 10 mA |
山東市立維創展科持是Teledyne防務智能的銷售商商,展示 Teledyne防務光學軟件涉及LDMOS、GaN、GaAs和InP。Teledyne防務電子器件商品線鼓勵寬速率段、窄帶、脈沖造成的拖動器,速率1MHz~220GHz,最大功率mW~10kW,優點分銷渠道帶來Teledyne防務智能電子備貨,歡迎會資訊。