服務業信息資訊
發布的準確時間:2024-08-07 08:58:58 查詢:780

EPD-4L-SF功分器是由ELECTRO-PHOTONICS公司生產的一款高性能、寬頻帶的4路功率分配器/組合器。該產品的主要特點和規格如下:
主要特點
目標性: 0° 幀率區域: 4.0 GHz到8 GHz 比較大輸出精度瓦數: 30W 高特性: 作為低添加自然損耗、高底部隔離度、低駐波比(VSWR)和出色的高難度技巧及相位平衡量。 緊奏型長寬高: 結構設計緊奏型,為了方便在有局限的服務器內配置和實用。性能規格
| PARAMETER | SPECIFICATION |
| FREQUENCY RANGE | 4.0-8 GHz |
| EXCESS INSERTIONLOSS* | 0.8dB |
| ISOLATION | 18 dB |
| VSWR | 1.3 |
| AMPLITUDE BALANCE | ±0.3 dB |
| PHASE BALANCE | ±3° |
| POWER HANDLING | Forward:30W |
| Reverse:1W |
應用領域
機械規格
| PARAMETER | SPECIFICATION |
| MATING INTERFACE | SMA(F) |
| OPERATINGTEMP | -55 TO+85℃ |
| NON-OPERATINGTEMP | -55 TO+100 ℃ |
| MATERIAL/FINISH | Aluminum with black epoxy |
| resin paint |
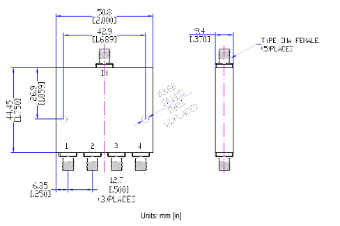
尺寸圖:

ELECTRO-PHOTONICS占有25年的壓制頻射器件設計制作與手工制造技術,企業物品含蓋分層和定向分配藕合器、功分器、濾波器、測評板、底部隔離器、環行器等企業物品。
蘇州市立維創展科學不多我司加盟代銷Electro-Photonics物料。要是要求Electro-Photonics微波通信,喜歡單擊左面售后客服搞好關系小編!!!